广告招募

当前位置:中非贸易网 > 技术中心 > 所有分类

4脚无源晶振焊盘/引脚图示

2026年01月05日 08:50:25      来源:深圳市晶诺威科技有限公司 >> 进入该公司展台      阅读量:6

分享:

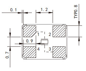
4脚无源晶振SMD3225焊盘/引脚图示如下:

4脚无源晶振焊盘/引脚图示

 

由图中可见,4脚无源晶振脚1与脚3为晶振频率管脚,没有方向性,不用担忧贴反。脚2与脚4接地或悬空。

4脚无源晶振焊盘/引脚图示

注:晶诺威科技产4脚无源晶振缺角焊盘为#1(频率脚1)。需要提醒的是,有些晶振厂家无源晶振缺角焊盘(pad)为#4(脚4:空脚或接地脚)。因此,在晶振使用前,请根据相应晶振规格书来确认。

4脚无源晶振焊盘/引脚图示

版权与免责声明:
1.凡本网注明"来源:中非贸易网"的所有作品,版权均属于中非贸易网,转载请必须注明中非贸易网。违反者本网将追究相关法律责任。
2.企业发布的公司新闻、技术文章、资料下载等内容,如涉及侵权、违规遭投诉的,一律由发布企业自行承担责任,本网有权删除内容并追溯责任。
3.本网转载并注明自其它来源的作品,目的在于传递更多信息,并不代表本网赞同其观点或证实其内容的真实性,不承担此类作品侵权行为的直接责任及连带责任。其他媒体、网站或个人从本网转载时,必须保留本网注明的作品来源,并自负版权等法律责任。 4.如涉及作品内容、版权等问题,请在作品发表之日起一周内与本网联系。