2026年01月05日 09:09:51 来源:深圳市晶诺威科技有限公司 >> 进入该公司展台 阅读量:5
2引脚(焊盘)无源晶振产品(圆柱体晶振、49S直插晶振及贴片晶振)图例如下:

2引脚(焊盘)无源晶振内部电路连接图如下:
注:以上晶振2引脚不具备方向性,因此无需担忧接反。
MC-146(T7)32.768KHz晶振产品图例如下:

MC-146(T7)32.768KHz晶振内部电路连接图如下:

注:MC-146(T7)32.768KHz晶振不能贴反,否则无法使用。
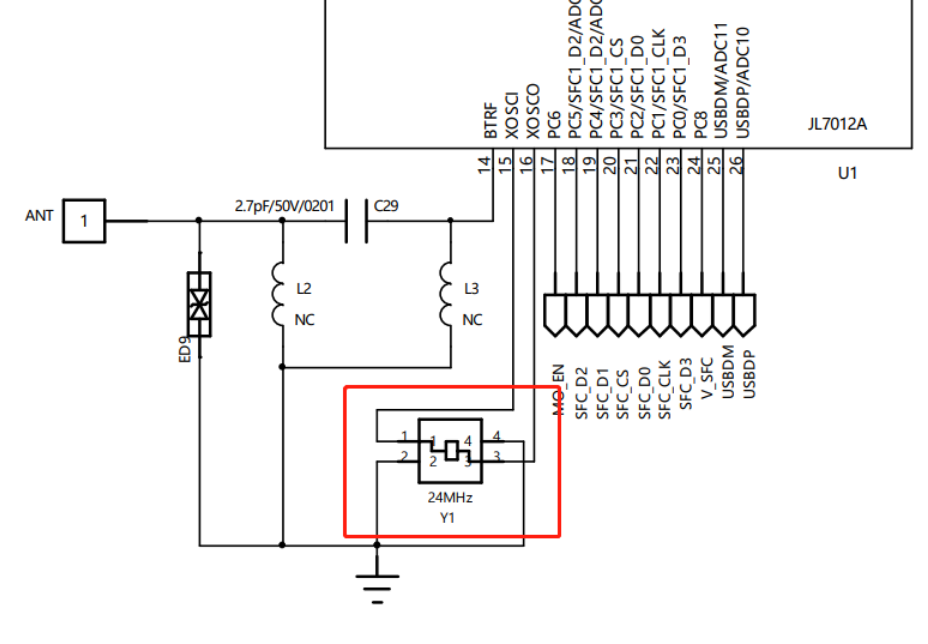
4引脚(焊盘)无源晶振产品图例如下:

4引脚(焊盘)无源晶振内部电路连接图如下:

注:脚#1与脚#3为晶振功能脚,不具备方向性,因此无需担忧接反。脚#2与脚#4与晶振金属外壳连接,可作为接地处理。
