2026年01月05日 09:11:17 来源:深圳市晶诺威科技有限公司 >> 进入该公司展台 阅读量:7
石英晶振的激励等级DL(驱动水平、Drive Level)
石英晶振的激励等级可以按照晶振的各种工作状态下的消耗电力,或按照电流的等级来进行表示。如果利用过大的电流来使晶振工作,有可能产生频率不稳定等特性的恶化,以及导致石英晶片可能破损的危险。在使用之前,建议进行电路设计时,确认一下所使用的激励等级不超过激励等级。
石英晶振的等效电路如下:

石英晶振振荡电路示例如下:

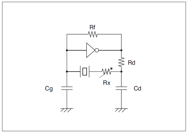
石英晶振与振荡电路之间的关系:

石英晶振振荡频率和负载CL的关系:

*Cg,Cds,Cos表示印刷基板的布线容量以及部件的寄生容量。
频率负载容量特性如下:

石英晶振振荡宽限
为了使石英晶振在振荡电路中可以稳定地发生振荡,电路的负性电阻与晶振的等效串联电阻相比,必须具有充分大的容量(振荡宽限要大)。建议将振荡宽限设置为晶振的等效串联电阻的5倍以上。

石英晶振振荡宽限评价方法的示例
与晶振串联连接上纯电阻Rx,确认振荡的开始或结束。缓慢地使Rx值逐渐变大,开始或结束振荡时的申阻Rx加上晶振的有效电阻Re,就是该电路的大概负性电阻的数值。
![]()
|-R |为石英晶振的等效串联电阻的值(R1 max.)的5 倍以上。
*Re 为石英晶振振荡时的有效电阻值。
![]()