2026年01月06日 08:21:39 来源:深圳市晶诺威科技有限公司 >> 进入该公司展台 阅读量:4

单片机无源晶振的作用及重要性

单片机无源晶振的作用是为系统提供基本的时钟信号。通常一个系统共用一个晶振,便于各部分保持同步。不同型号的单片机使用的无源晶振型号及频率也可能不同。单片机中的无源晶振若是出了问题,单片机也就无法正常工作了。
引起单片机无源晶振不起振的原因主要有以下六点:

1、PCB板布线错误,现在的PCB板不再是单一功能电路(数字或模拟电路),而是由数字电路和模拟电路混合组成的。因此,PCB布线时可能出现问题导致无源晶振不起振;
2、单片机或无源晶振质量问题;
3、负载二极管或匹配电容与无源晶振不匹配或者电容质量问题;
4、PCB板受潮,导致阻抗失配而无源晶振不能起振;
5、无源晶振电路走线过长或两脚之间有走线导致晶振不起振,通常我们在PCB布线时晶振电路的走线应尽量短且尽可能靠近振荡器,严禁在晶振两脚间走线;
6、无源晶振受外围电路的影响而不起振。
单片机无源晶振实际应用注意事项主要有以下四点

1、晶振选型
首先清楚无源晶振与有源晶振的区别。若为无源晶振方案,选择合适的无源晶振对单片机非常重要,必须考虑频点、负载电容、激励功率、工作温度等参数。电气参数合适及品质合格的晶振才能确保单片机正常工作。
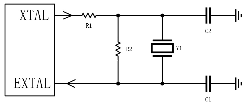
2、匹配电容
电容引起的无源晶振不稳定,晶振电路中的电容C1和C2对晶振的频率精准度及稳定性有很大影响。必须按照晶振供应商建议的参数来选择匹配电容。通常在许可范围内,C1,C2值越低越好,C值偏大虽有利于振荡器的稳定,但将会增加起振时间。(当晶振不易起振时,可尝试C2值大于C1值,这样有利于上电时加快晶振起振。)
3、过驱问题
若无源晶振出现被过分驱动问题,会导致晶振接触电镀的逐渐损耗,从而引起晶振频率上升。建议使用一台示波器来检测晶振的频率输出脚。如果检测为非常清晰的正弦波且正弦波的上限值和下限值都符合时钟输入需要,则晶振未被过分驱动。反之,如果正弦波形的波峰,波谷两端被削平,而使波形成为方形,则晶振被过分驱动。这时就需要用电阻RS来防止晶振被过分驱动。判断电阻RS值大小的的方法就是串联一个5K或10K的微调电阻,从0开始慢慢调高,一直到正弦波不再被削平为止,通过此办法就可以找到的电阻RS值。
4、晶振位置
画PCB板时,要求无源晶振离它的放大电路(IC管脚)越近越好。这是由于晶振的输出能力有限,它仅仅输出以毫瓦为单位的电能量。在IC(集成电路)内部,通过放大器将这个信号放大几百倍甚至上千倍才能正常使用。晶振和IC间一般是通过铜走线相连的,这根走线可以看成一段电容或数段导线,导线在切割磁力线的时候会产生电流,导线越长,产生的电流越强。