广告招募

当前位置:中非贸易网 > 技术中心 > 所有分类

OSC3225有源贴片晶振27.1412MHz规格参数及说明

2026年01月07日 09:15:39      来源:深圳市晶诺威科技有限公司 >> 进入该公司展台      阅读量:10

分享:

OSC3225有源贴片晶振27.1412MHz规格参数及说明

(OSC3225贴片有源晶振27.1412MHz引脚说明)

OSC3225有源贴片晶振27.1412MHz规格参数及说明

晶诺威产OSC3225有源贴片晶振27.1412MHz特点

  • 低功耗可选(工作电压:1.8V~3.3V)
  • 高精度
  • 高稳定
  • 支持三态功能(Tri-state)
  • 低相噪
  • 低抖动

OSC3225有源贴片晶振27.1412MH体电气参数

  • 晶振类型:石英晶体振荡器
  • 尺寸:3.2*2.5*1.0mm
  • 输出类型:CMOS(方波)
  • 输出负载:15pF或定制
  • 调整频差:±10ppm~30ppm
  • 工作电压: 1.8V、2.5V、3.3V
  • 工作温度: -40~+85℃
  • 三态:0.1VDD /0.9VDD
  • 占空比:45~55%
  • 支持电流:15 mA max.
  • 上升/下降时间:8ns max.
  • 启动时间:5ms max.
  • 相位抖动(12KHz~20MHz):1ps max.
  • 老化率(25℃):±3ppm/年 max.

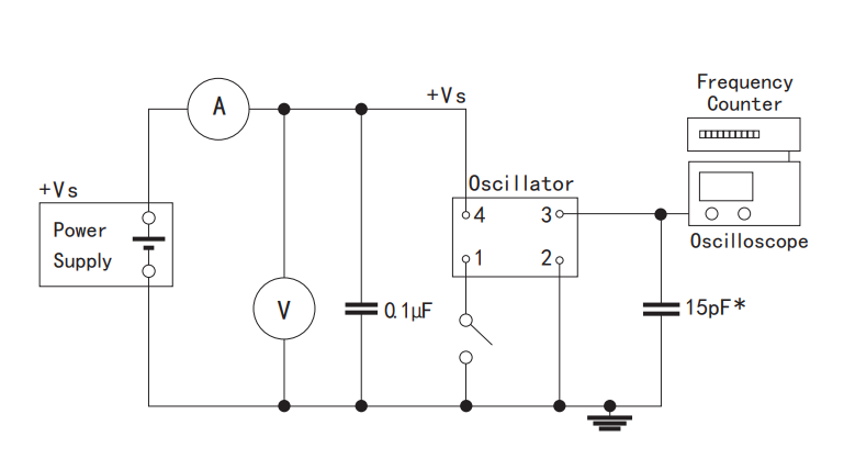
OSC3225有源贴片晶振27.1412MHz测试电路

OSC3225有源贴片晶振27.1412MHz规格参数及说明

版权与免责声明:
1.凡本网注明"来源:中非贸易网"的所有作品,版权均属于中非贸易网,转载请必须注明中非贸易网。违反者本网将追究相关法律责任。
2.企业发布的公司新闻、技术文章、资料下载等内容,如涉及侵权、违规遭投诉的,一律由发布企业自行承担责任,本网有权删除内容并追溯责任。
3.本网转载并注明自其它来源的作品,目的在于传递更多信息,并不代表本网赞同其观点或证实其内容的真实性,不承担此类作品侵权行为的直接责任及连带责任。其他媒体、网站或个人从本网转载时,必须保留本网注明的作品来源,并自负版权等法律责任。 4.如涉及作品内容、版权等问题,请在作品发表之日起一周内与本网联系。