见无源贴片晶振内部电路连接图
2026年01月08日 09:32:28
来源:深圳市晶诺威科技有限公司 >> 进入该公司展台
阅读量:4
见无源贴片晶振内部电路连接图,汇总如下:

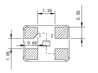
(SMD2016-4PIN)

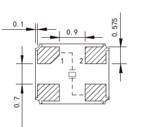
(SMD2520-4PIN)

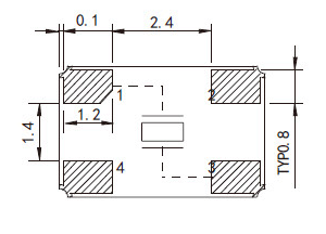
(SMD3225-4PIN)

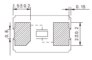
(SMD5032-4PIN)

(SMD5032-2PIN)
(FC-135 32.768KHz)

(MC-146 32.768KHz)
版权与免责声明:
1.凡本网注明"来源:中非贸易网"的所有作品,版权均属于中非贸易网,转载请必须注明中非贸易网。违反者本网将追究相关法律责任。
2.企业发布的公司新闻、技术文章、资料下载等内容,如涉及侵权、违规遭投诉的,一律由发布企业自行承担责任,本网有权删除内容并追溯责任。
3.本网转载并注明自其它来源的作品,目的在于传递更多信息,并不代表本网赞同其观点或证实其内容的真实性,不承担此类作品侵权行为的直接责任及连带责任。其他媒体、网站或个人从本网转载时,必须保留本网注明的作品来源,并自负版权等法律责任。
4.如涉及作品内容、版权等问题,请在作品发表之日起一周内与本网联系。