2026年01月08日 09:36:06 来源:深圳市晶诺威科技有限公司 >> 进入该公司展台 阅读量:1
关于晶诺威科技四脚无源晶振引脚图解说明:
PIN1和PIN3为晶体功能脚,没有方向性;PIN2和PIN4与外壳连接,请接地处理。如下表所示:

(12MHz四脚无源晶振产品图)
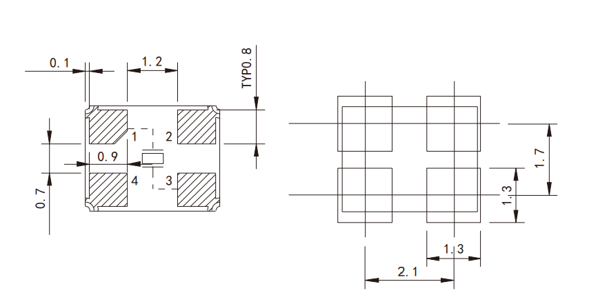
晶诺威科技产SMD3225四脚无源晶振尺寸及引脚内部电路图解:
从焊盘形状来看,PIN1有缺角明显标识,PIN3为其对角方向。正确接法是找对PIN1和PIN3,分别接入芯片信号输入端及信号输出端。需要提醒的是,PIN1和PIN3没有极性,不用担心接反。
因此,可以推出:
1、四脚无源晶振为“对角接”,如果相邻两脚相连,即为错误连接方式。
2、若把PIN2和PIN4当做晶体信号脚接入芯片信号端,即为错误连接方式。

晶诺威科技四脚无源晶振电路应用示意图如下:
