2026年01月08日 09:43:54 来源:深圳市晶诺威科技有限公司 >> 进入该公司展台 阅读量:21
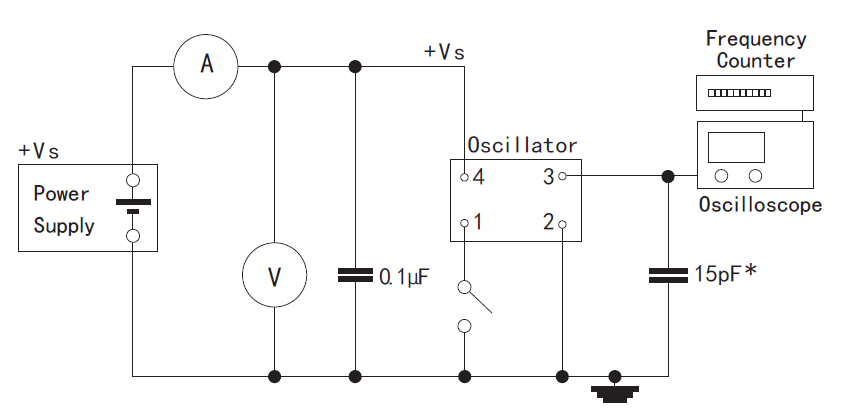
晶诺威科技宽电压有源晶振SMD3225测试电路

晶诺威科技宽电压有源晶振SMD3225规格参数介绍如下:
工作电压: 1.62 ~ 3.63V
尺寸: 3.2×2.5×1.0mm
输出模式: CMOS
频率范围: 1 to 125 MHz
工作温度范围: -20 ~+70℃,-40 ~ +85℃
频率温度特性(+25℃): ±20ppm
宽电压有源晶振SMD3225特点及优势
兼容1.8V、2.5V或3.3V电源
外部尺寸:标准3.2×2.5mm 金属面封装
低抖动、高稳定和低功耗特性
宽电压有源晶振SMD3225应用领域
便携式电子产品
工业控制
安防监控
智能家居
物联网(IOT)应用
| 型号 | Holder Type | 3.2×2.5mm SMD SMD MultiVolt Crystal Oscillator |
| 频率范围 | Frequency Range | 1MHZ to 125MHZ |
| 总频差 | Frequency Stability | ±20ppm to ±50ppm |
| 输入电压 | Supply Voltage | 1.62V to 3.6 or 3V※(See Notes ) |
| 工作温度范围 | Operating Temperature Range | -20℃ – +70℃ / -40℃ – +85℃ |
| 储存温度范围 | Storage Temperature Range | -40℃ – +85℃ /-55℃ – +125℃ |
| 占空比 | Symmetry(Duty Cycle) | 40/60 Standard |
| 输出 | Output Load | 15pF Hcoms |
| 消耗电流 | Current Consumption(15pf only) | 1Mhz ~ 49.999Mhz=25mA max |
| (5.0V) | 50Mhz ~ 125Mhz=60mA max | |
| Current Consumption(15pf only) | 1Mhz ~ 49.999Mhz=20mA max | |
| (1.8V,2.5V,2.85V,3.3V) | 50Mhz ~ 125Mhz=40mA max | |
| 上升/下降时间 | Rise/Fall Time | 5nS max |
※Notes: This series is compatible with 1.8V, 2.5V, or 3.3V power supplies.
