2026年01月09日 08:22:34 来源:深圳市晶诺威科技有限公司 >> 进入该公司展台 阅读量:5

±0.5PPM TCXO2520温补晶振12.288MHz 1XXB12288MCA主要参数如下:
Absolute Maximum Rating 值

Recommended Operating Conditions建议工作条件

Electrical Characteristics 电气参数特性

Notes:
1. Clipped sine wave (DC-coupled)
2. Ta=+25℃
3. Please leave after reflow in 2 hours or more at room ambient.
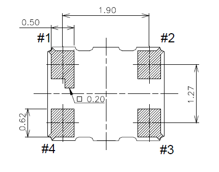
Outline, Pin Connections外形尺寸

脚位说明

Pin Connections
#1:GND
#2:GND
#3:Output
#4:VCC
Measurement Circuit 测试电路
