2026年01月09日 09:31:01 来源:深圳市晶诺威科技有限公司 >> 进入该公司展台 阅读量:10
因型号规格的多样性,有源晶振所需供电电压也有所不同,晶诺威科技归纳如下:

(晶诺威科技产DIP14系列—温补晶体振荡器TCXO-DIP14)
晶诺威科技产DIP插件式封装的有源晶振:3.3V和5V。插件式有源晶振常见于半尺寸DIP8和全尺寸DIP14两种封装。信号输出模式主要为方波(CMOS)和正弦波(Sine Wave)。输出负载有15PF或30PF。

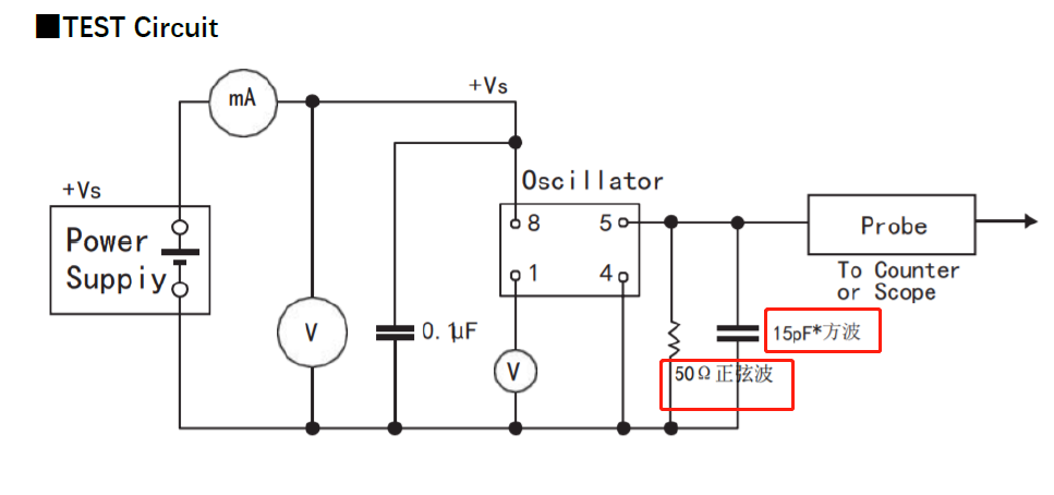
晶诺威科技产SMD贴片式封装有源晶振:1.8V 、2.8V、3.3V或5V。一般体积越小,功耗越小,电压也越低。信号输出模式主要为方波(CMOS),输出负载以15PF为主(输出负载30pF需定制)。温补晶振(TCXO)则以削峰正弦波(Clipped Sine Wave)为主,输出负载:10KΩ//10 pF。常见有源晶振测试电路如下:

注意:
3.3V晶振用在5V电路上有可能会烧坏晶振,晶振如果是5V供电,根据内部电路设计的不同,有的可以使用3.3V供电,有的则不可以。另外,一般3.3V供电的晶振有一个电压允许范围,比如3.3V供电的晶振,3V供电也是可以使用的,但不能低到2.8V,这些都是根据晶振特性来确定的。针对晶振而言,是确保供电电压与规格书所要求电压相符合。

另外,若用万用表直流档测,可观测到方波(属于交流信号:高电平和低电平)的输出直流电压一般为晶振电源的一半(若电源为5V,方波直流电压一般为2.5V)。需要提醒的是,方波的平均电压为高电平与低电平的中间值,但此方法无法反映真实峰峰值。仅能初步判断晶振是否起振(若电压接近Vcc或0V,可能晶振损坏)。