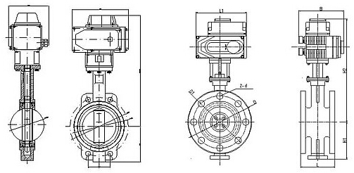
D941X电动法兰蝶阀 - 阀门型号:D971X,D941X,D973H,D943H
- 通径规格:DN50~DN1200mm
- 结构形式:中线式,三偏心
- 阀体材质:铸钢WCB、不锈钢304、316
- 公称压力:PN6、PN10、PN16、PN25、PN40
- 适用温度:-40℃~450℃
- 应用范围:气体、水、油品、蒸汽、腐蚀性流体
- 产品特点:开关及时到位,开关完成程度好,基本
D941X电动法兰蝶阀简介: 电动开关蝶阀就是通常所说的电动双位切断蝶阀,一般分为全开和全关两种状态。即该电动蝶阀在电控的情况下能达到全开或全关精确到位后自行停止,不能直接与管路系统的流量反馈装置进行精准互动调节流量。根据连接方式的不同,主要有法兰式电动开关型蝶阀和对夹式电动开关型蝶阀,选用不同的密封结构(软密封结构和金属硬密封结构)可对应使用在不同的介质,一般适用于两位开关(快速切断)控制的场合当中。 D941X电动法兰蝶阀特点: 1.电动开关蝶阀是依靠电动执行装置来控制蝶阀的开或关,电压AC220V(可选)。 2.依靠电力来带动阀门,减少人力手工操作,省时省力。 3.开关及时到位,开关完成程度好,基本。 4.电动执行器带有手动装置,在停电或执行机构故障时可以进行手动操作,确保工况正常进行。  D941X电动法兰蝶阀D941X电动法兰蝶阀技术参数:
| 公称通径 | DN50~DN1200mm | | 公称压力 | PN0.6、1.0、1.6、2.5MPa | | 连接方式 | 对夹式、法兰式 | | 密封形式 | 软密封,金属密封 | | 介质温度 | -20℃-450℃ | | 动作方式 | 开关两位(快速切断) | | 操作范围 | 0~90° | | 适用介质 | 水、油品、气体、蒸汽、腐蚀性流体 |
D941X电动法兰蝶阀和电动调节蝶阀的区别: 一,开关型电动蝶阀的开启和关闭只有两个位置,要么阀门全开,要么阀门全关,不能用来做介质流量的调节控制。 二,调节型电动蝶阀可对管道中的介质流量、压力、温度等进行控制,且其三偏心密封阀芯设计能保证在半开状态下耐冲刷、耐气蚀。
D941X电动法兰蝶阀零件材料:
| 阀体 | 球墨铸钢、铸钢、合金钢、不锈钢 | | 碟板 | 灰铸铁、球墨铸钢、铸钢、不锈钢 | | 密封圈 | 各种橡胶、聚四氟、不锈钢 | | 阀杆 | 2Cr13、不锈钢 | | 填料 | O型圈、柔性石墨 |
以上是D941X电动法兰蝶阀的详细信息,如果你对D941X电动法兰蝶阀的价格型号、图片有什么疑问,欢迎! |