Germanjet磁致伸缩位移传感器为提供不同用户提供非常丰富的信号输出类型,模拟量的电压和电流信号输出外,还提供更为丰富的通信接口包括数字量的SSI和Start/Stop,现场总线的CANbus和Profibus-DP等,下面我们就为大家提供Germanjet磁致伸缩位移传感器的接线图:
1、模拟量输出(电流与电压)

2、SSI输出

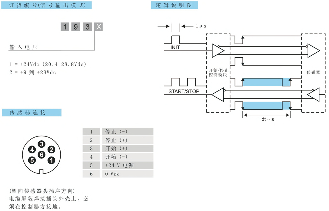
3、Start/Stop输出

4、现场总线的CANbus输出

磁致伸缩位移传感器可广泛应用于石油、化工、水利、制药、食品、饮料等行业的各种液罐的液位计量和控制,航天加油系统、汽车加油系统、柴油加油系统及各种液压罐、水文监测、水处理等。磁致伸缩位移传感器是根据磁致伸缩原理制造的高精度、长行程位置测量的位移传感器。它采用内部非接触的测量方式,由于测量用的活动磁环和传感器自身并无直接接触,不至于被摩擦、磨损,因而其使用寿命长、环境适应能力强,可靠性高,安全性好,便于系统自动化工作,即使在恶劣的工业环境下(如容易受油溃、尘埃或其他的污染场合),也能正常工作。此外,它还能承受高温、高压和强振动,现已被广泛应用于机械位移的测量、控制中。它的行程可达10米或更长,标称精度为0.05% F·S,行程1米以上直线位移传感器精度可达0.01% F,S,重复性可达0.001% F·S,因此它在石油化工,航空航天、电力、水利等行业得到广泛的应用。





