2026年01月14日 09:45:19 来源:深圳市易测电气有限公司 >> 进入该公司展台 阅读量:12
Germanjet磁致伸缩位移传感器使用中内置油缸位移传感器的注意事项:
磁致伸缩位移传感器,通过内部非接触式的测控技术精确地检测活动磁环的位置来测量被检测产品的实际位移值的;该传感器的高精度和高可靠性已被广泛应用于成千上万的实际案例中
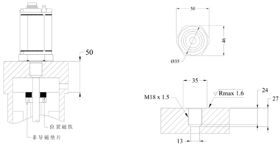
根据供应商提供的资料,强调了本磁致伸缩位移传感器在使用中必须注意的一些事项,除了上面所介绍的接线方面之外,在与液压油缸的装配中也有一些需要注意的问题:
一是装配部位的加工尺寸,按照下图的公差要求加以控制。

装配部位的加工尺寸
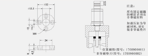
二是,在装配时还要注意,如果液压油缸是采用铁磁材料制作的,那么在安装滑动磁铁环时要在滑动磁环下部垫上非磁性材料制作的隔磁垫圈,而且所有固定滑动磁环的螺丝,都必须使用非磁性材料制作的。

位移传感器的有效工作区域
另外,在使用中要注意位移传感器的有效工作区域。要把需要实际测量的范围,置于传感器的有效测量区域内。由于结构上的原因,传感器在两端存在一定的测量盲区。具体请参阅图上的显示。根据资料说明17型和19H的传感器的死区,即测量杆前部端头的部位,对于测量范围15米之内的为60mm。