2026年01月15日 08:07:41 来源:深圳市易测电气有限公司 >> 进入该公司展台 阅读量:12
鉴于磁致伸缩位移传感器的工作原理所决定,它正常工作离不开标准的精确的时钟脉冲的同步。而传感器本身并不能提供这一条件,因此在使用中它必须与相应的控制装置配合使用,由控制器为它提供一定频率的同步时钟脉冲信号。
在仪表及电气控制系统中根据控制对象的工艺要求,往往需要将一些物理量,如工艺参数,设备位置、状态等转换成系统所能控制的电的信号,便于控制或显示其数值。这就是传感器的功能。本文所介绍的利用磁致伸缩原理进行位移量检测的传感器,就属于位置信号转换的检测器件。该传感器所具有的高精度及高可靠性,已被国际上所广泛认可,并具备成千上万的成功应用的案例。由于本传感器是非接触方式测量,通过检测与液压油缸活塞杆安装成一体的活动磁铁的位移,而该磁铁与传感器的检测部位并无直接接触,因此传感器非常适合在极其恶劣的工业环境下,如易受油渍,溶液,尘埃或其他物质污染的环境下工作,对传感器并不会构成威胁。此外,传感器的工作原理和结构决定了,它更能承受高温,高压和高振动的环境.本传感器输出的信号为值,所以即使电源中断,重新恢复后也不会对先前检测的数据构成任何问题,更无须重新返回零位。另外,由于敏感的检测元件都是非接触的,所以就算感测过程不断重复,也不会对传感器造成任何磨损,根据德国太空署的统计,Germanjet位移传感器的磁致伸缩敏感元件之平均时间为23年。

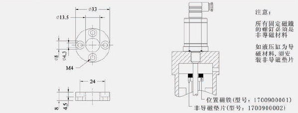
在与液压油缸的装配中也有一些需要注意的问题:
一是装配部位的加工尺寸,按照下图的公差要求加以控制。
二是,在装配时还要注意,如果液压油缸是采用铁磁材料制作的,那么在安装滑动磁铁环时要在滑动磁环下部垫上非磁性材料制作的隔磁垫圈,而且所有固定滑动磁环的螺丝,都必须使用非磁性材料制作的。
另外,在使用中要注意位移传感器的有效工作区域。要把需要实际测量的范围,置于传感器的有效测量区域内。由于结构上的原因,传感器在两端存在一定的测量盲区。具体请参阅图上的显示。根据资料说明19H型的传感器的死区,即测量杆前部端头的部位,对于测量范围5米之内的为63.5mm;测量范围5米到7.6米的为66mm。