广告招募

当前位置:中非贸易网 > 技术中心 > 所有分类

浪涌保护器选型的误区:相电压和线电压

2026年01月16日 08:34:42      来源:浪涌保护器源头生产厂家 >> 进入该公司展台      阅读量:13

分享:

很多人在进行浪涌保护器选型的时候,经常发现这样一个问题:为什么线路电压是 380v或440v,而防雷厂家给我选用的浪涌保护器型号Uc值只有320v或385v?浪涌保护器的工作电压小于我的电压值,这样选出来的浪涌保护器安装在线路上能防雷吗?

其实,这里存在一个对浪涌保护器选型电压参数的误区,也就是相电压和线电压的区别。

究竟相电压和线电压之间有什么关系呢?为什么我的浪涌保护器Uc值小于线电压还能正常工作呢?下面,小编就来给大家科普下这两个概念吧。

1、什么是相电压和线电压?

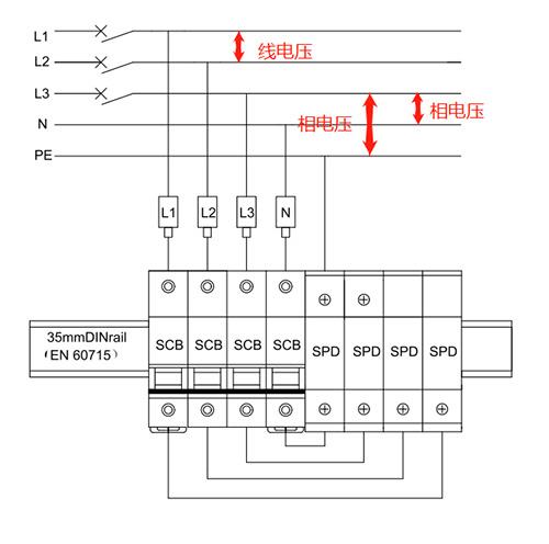
举例:在一个三相五线制的供电系统(如TN-S接零保护系统)中,分别由三根相线及一根零线及一根PE线组成,那么在这个三相五线制的供电系统中,相电压指的是任意一根相线和零线(N线)、任意一根相线与PE线之间的电压;线电压指的是任意两根相线之间的电压。如下图所标识:

8.9-1

       L3与PE线之间的电压是相电压,L3与N线之间的电压也是相电压;

    L1与L2线之间的电压为线电压。

    2、相电压和线电压之间的关系

    我国常用的标准交流电压是:相电压为220v,线电压为380v,而相电压和线电压之间的数学关系为:线电压为相电压的√3倍。

    3、为什么浪涌保护器Uc值小于线电压还能正常工作呢?

    首先,我们来了解浪涌保护器的工作原理:浪涌保护器的安装位置是在相线和零线、相线和地线之间,3PN浪涌保护器还会安装在零线和地线之间,无论如何浪涌保护器都不会安装在两根火线之间。因此,我们在浪涌保护器选型时,选Uc值时,只需要考虑电路中的相电压。

  因此当大家在浪涌保护器选型安装时,看到的电路电压为380v,而实际的相电压只有220v,给它安装Uc为320v或385v的防雷器能达到防雷效果。而如果是440v的线电压,那么它的相电压就是254v,安装320v或385v的浪涌保护器也都能满足这个电路系统中的防雷要求。

版权与免责声明:
1.凡本网注明"来源:中非贸易网"的所有作品,版权均属于中非贸易网,转载请必须注明中非贸易网。违反者本网将追究相关法律责任。
2.企业发布的公司新闻、技术文章、资料下载等内容,如涉及侵权、违规遭投诉的,一律由发布企业自行承担责任,本网有权删除内容并追溯责任。
3.本网转载并注明自其它来源的作品,目的在于传递更多信息,并不代表本网赞同其观点或证实其内容的真实性,不承担此类作品侵权行为的直接责任及连带责任。其他媒体、网站或个人从本网转载时,必须保留本网注明的作品来源,并自负版权等法律责任。 4.如涉及作品内容、版权等问题,请在作品发表之日起一周内与本网联系。