2026年01月17日 09:32:15 来源:上海徐吉电气有限公司 >> 进入该公司展台 阅读量:6

一、特点
JDX-10接地靴是按照国标GB/T15361-94的有关条款及起重机安全规程“每台起重机应具有明显的接地装置要求",是为轨道式起重设备设计的一种可随轨道高低而滑动的接地装置。同时和避雷针配合使用。能把雷电产生的较大千安的电流引入大地,保护起重机房电器不因雷击而损坏,同时也解决了因雷电时起重设备行走而产生的电压差,导致火花损坏行走机构轴承(因轴承为点接触)而造成损失。

二、应用
JDX-10接地靴广泛应用于港口、码头、钢厂、物料场等轨道式起重设备上的接地装置,同时接地靴和避雷针通过一根电缆连接使用, 能保护起重设备机房电器和行走机构轴承,从而减少设备故障率,延长使用寿命。
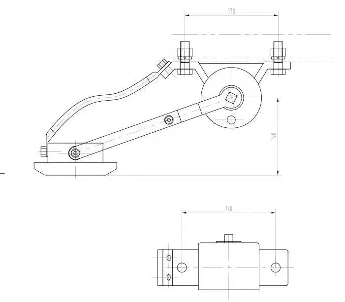
三、安装(附图)
JDX-10接地靴配有固定支架(可来图定制专用支架),安装时把接地靴(可配避雷针)总成焊接或螺丝固定在行走台车或铆定座上.同时在行走台车架上。用导线连接到接地靴支架的内侧,特别注意安装高度
(因安装高度会影响导电质量和导电板使用寿命)。
请注意:导电板是易损件,可单独采购。
