2026年01月21日 09:39:28 来源:山东天力能源股份有限公司 >> 进入该公司展台 阅读量:3
1、综述
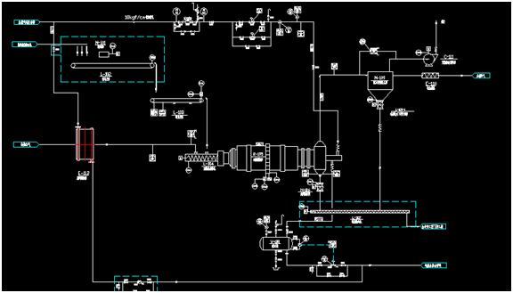
工艺或者设备介绍
建议采用蒸汽回转干燥工艺,该工艺能够限度的达到节能要求,并且工艺成熟、稳定、操作简易、维修点少。
本项目设置一套产能400t/d,含水率10%的矿粉干燥装置。
本项目拟采用的流程为:
矿粉通过皮带秤的定量输送,经双螺旋喂料机均匀地喂入到间接式蒸汽回转干燥炉内。间接式回转干燥炉以蒸汽为热源,通过间接式传热方式,将蒸汽的热量传递给矿粉,矿粉吸收热量后温度升高。矿粉随着温度升高,在回转干燥炉内完成干燥。
主机为间接换热方式进行对物料的传热脱水,内部设置盘管,管内走蒸汽和冷凝水,外部为物料,通过传导式传热将热量传送给物料。
2、工艺流程图
