2026年01月24日 09:14:11 来源:上海伊测电子科技有限公司 >> 进入该公司展台 阅读量:19


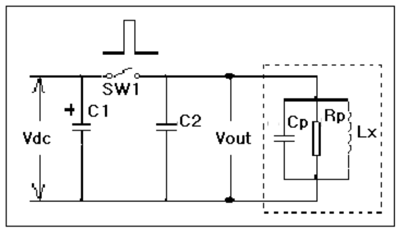
预先对储能电容C1充电,充电电压为仪器设定得*大电压,以一极短暂的时间将开关SW1合上,在SW1合上器件,由于C1≥C2,C1快速对C2充电,经过一段时间后SW1断开。同时,该激励脉冲同时加于一被测线圈Lx,C2、Rp、Lx将呈现一自由衰减震荡,该衰减震荡呈指数下降趋势并调制以正弦信号。根据其与谐振电容C2的衰减振荡情况来了解线圈内部状态来判断该绕线元件品质情况:包含线圈自身的绝缘,绕线电感量,及并联电容量等状态。
上图中:
| C2 | 谐振容量 |
| Cp | 线圈两端等效并联电容 |
| R | 能量消耗等效并联电阻 |
| Lx | 线圈等效电感 |

线圈类产品(如变压器、电机等)由于绕线材料、磁性材料、骨架、加工工艺等因素的影响会产生线圈层间、匝间及引脚间等绝缘性能的降低。
线圈的脉冲测试可在不损坏被测件的条件下测试其电气性能。这种测试方法能在短暂的瞬间判别线圈的品质。测量时将与标准线圈测量时同样的脉冲通过电容器放电施加于被测线圈,由于线圈电感量、杂散电容和Q值的存在,将响应一个对应于该放电脉冲的电压衰减波形,比较该衰减波形的某些特征,可以检测线圈匝间和层间短路及圈数和磁性材料的差异, 如果施加一个高电压脉冲,根据出现的电晕或层间放电来判断绝缘不 良。
数字存储式线圈脉冲测试仪:TH2882A-3/TH2882A-5/TH2882AS-5/TH2883系列
该系列产品采用高速数字采样的方法,将标准线圈的波形存储于仪器中,测试时将被测波形与标准波形比较,根据设定的判据(面积、面积差、过零点、电晕等)以决定被测线圈的优劣。该方法有如下优点:
a) 高速数字取样使判别过程由仪器自动完成,可排除人为影响因素;
b) 测试时无需同时测量标准样件,所有测试使用统一判据,标准样件波形可存储、调用、转存、多机共用等;
c) 可测试电感量范围很宽,*小可测试10µH的线圈,基本适应各种线圈产品的测试;
d) 高压是瞬间输出的,一次测试理论上只需输出一次高压脉冲,大大延长了仪器寿命。
e) 不存在显示亮度问题,波形可选择在*佳状态下显示;
f) 由于数字化和智能化技术的采用,可执行许多附加的分析功能,如时间与周期测量、电压测量、多次平均、连续测试、输出电压的自动电平控制(ALC)、PASS/FAILL的声音模式选择等;
g) 可采用多种形式的判据以分辨出被测线圈质量的细微变化,如面积、面积差、过零点、电晕等。
h) 使用多种接口于不同的目的。如USB接口用于数据和标准波形的转存和保存,IEEE488接口和RS232接口用于人机通讯或组成自动测试系统,HANDLER/SCANNER接口用于自动机械处理器和脉冲式变压器线圈自动测试系统。
一般地,由一个或多个线圈组合而成的电感器、变压器、马达等绕线元件需要通过下列途径来完整地评估该线绕元件的品质情况:
线圈之绕线电阻DCR(铜阻),绕线感量(L)圈数N、圈数比例(Np/Ns),线圈间容量(Cp),铁芯状态(Q,ACR,LK)等,属于低压参数测试,上述项目使用自动变压测试系统,LCR数字电桥、圈数测试仪、直流低电阻测试仪等完成。不同线圈间或线圈对铁芯及外壳等的耐压和绝缘程度使用耐压测试仪和绝缘电阻测试仪。线圈自身的的绝缘程度使用脉冲式线圈测试仪(匝间绝缘测试仪)
一般生产过程中检验合格的元件,使用于电气电子产品中,即使短期功能正常,但长期使用也可能因线圈自身的绝缘不佳而产生潜在的不 良因素,而影响产品的之寿命和稳定性。
绝缘问题导致产品不 良的表现:
a. 耐久性差,寿命短;
b. 抗噪声能力不佳;
c. 高温下稳定性不好;
常见造成线圈绝缘不 良的原因:
a. 漆包线,绝缘胶带或骨架绝缘不 良;
b. 原始设计的出线方式或加工工艺不 良;
c. 引脚间未留**距离或焊锡后的污染物的存在;
绕线工序结束,磁性材料加入前进行脉冲测试,可发现如下不 良情况:
a. 线圈自身绝缘不 良( 波形前段衰减及放电现象)
b. 绕线圈数或接线明显错误(Lx,前段谐振周期变化)
c. 绕线方式错误(并联电容Cx变化,后段谐振周期)
三.如何进行脉冲测试
1.使用于何部门?
良好的设计、正确的材料使用及合理的加工过程可保证元件正常使用下的长久稳定性。
研发或工程部门:对工程设计或变更不 良进行经验证;
进货检验:对进货材料质量进行把关,防止不 良材料混入;
生产线:随时监测生产过程的质量情况;
2.在何工序进行脉冲测试?
建议:在绕线工序结束, 磁性材料加入前进行脉冲测试
原因:a. 脉冲测试的主要目的是检验线圈本身的绝缘情形而非磁性材料的特性检验;
b. 磁性材料会吸收测试能量而使绕线绝缘不 良的情形显现不出;
c. 一般磁性材料的规格容许误差较大, 而造成电感量有较大变化,而绕线绝缘差异较小,而使不 良判别不易;
若检验目的不在绝缘或工序无法分离可酌情在成品阶段进行,但应考虑磁性材料加入的影响。
3.如何决定测试脉冲电压?
建议:考虑使用电气环境可能出现的*高脉冲电压,并以其1.5~3倍的脉冲电压进行测试。
理由:a. 一般测试均在室温下进行,在元件*高使用温度下绝缘材料的绝缘能力会降低;
b. 在极短测试时间内找出须经长久绝缘劣化后方表现出的潜在不 良情况;
4.如何制定测试标准件?
a. 依*佳标准工艺制作样品0pcs(成品);
b. 按规定要求检验耐压(Hi-Pot)、绝缘(IR)及低压电气参数(DCR,LCR,TR等);
c. 将磁性材料去除,依实际应用情形进行线圈自身绝缘测试(脉冲测试),无明显异常放电或层间(匝间)短路者可作为标准样品使用;
d. 在脉冲测试仪上对样品进行标准波形记忆;
e. 确定客观容许误差及明确的检验目的。根据线圈实际生产情况(圈数差异,高压、绝缘承受能力等)设定面积、面积差、过零点和电晕的变动范围作为产品合格与否的判据;
f. 以认定的良品与不 良品来调整检验规范;
g. 判定标准记录于作业指导书中;
f. 用U盘保存标准波形,或将U盘中标准波形再保存于微机中,以利随时调用;
h. 保留5pcs以上的认定样品供日后标准维护;
四.正确测试操作及**注意事项
注意:脉冲测试使用高压进行测试,操作人员必须戴高压**手套,脚下需垫上绝缘胶垫,交流电源输入应有可靠的**接地,否则易发生触电危险!
正确的测试环境
为保持操作人员的**、测试仪器的正确动作以及准确的测试结果,请将测试仪器的接地端子及操作台面接地。
脉冲测试是绝缘能力测试,潮湿、污秽的操作台面常是测量误差的来源。
为保证测试**及操作方便性,推荐使用脚踏启动开关启动仪器测试。
五.脉冲测试技术
实际判定方式:
面积(AREA)比较;一般使用于衰减速度的比较。
面积差(DIFF-AREA):一般使用于振荡频率差异之比较。
过零点判别:在线圈衰减处于不同电压时,电感量会产生变化,则谐振频率也将变化,过零点用于频率变化的判别。
电晕放电(Flutter):一般使用于局部放电的检测。
异常波形目测:若放电占整体面积比例低不易判定,测试人员可目测判定明显异常,并可加注判定原则于作业指导书中。
六.同惠的脉冲测试解决方案
| TH2882-3型脉冲式线圈测试仪 | TH2882S-3型脉冲式线圈测试仪 |
| 单相,输出电压:300V—3000V | 三相,输出电压:300V—3000V |
| TH2882-5型脉冲式线圈测试仪 | TH2882S-5型脉冲式线圈测试仪 |
| 单相,输出电压:500V—5000V | 三相,输出电压:500V—5000V |
TH2882系列脉冲式线圈测试仪的特点:
1. 输出脉冲上升速率快,适合于测试小电感量谐振频率高的线圈产品;
2. 40MHz数字采样速率,能适应中、小电感量产品测试特性佳,并可检测局部放电(电晕);
3. 冲击能量低,脉冲时间短,对被测试件损坏程度小;
TH2882-3/TH2882S-3:*大冲击能量0.09焦耳
TH2882-5/TH2882S-5:*大冲击能量0.25焦耳
TH2882AS尤其适用于三相电机的测试
4. 320×240大型图形LCD显示;
5. 可屏幕测量时间、周期、电压等;
6. 多项检测判别功能
7. 面积(Area)比较,面积差(Diff-Area),过零点(Zeroing),局部放电((Flutter)
8. 多重波形显示能力,使目测判定简单,增进不 良检出能力
9. 测试速度速度快,单次取样测量仅需0.6S;
10. 为保证设定电压准确性,仪器具备自动电平控制(ALC)能力,使实际输出与设定电压相一致;
11. PSAA/FAIL判别结果有多种告警能力,可控制蜂鸣器音量、长短、次数,屏幕读数及指示等;
12. 60组Flash Memory标准波形储存/调用能力,USB接口提供外存及转存互用能力;
13. 标准IEEE488及RS232接口可直接与PC界面连结;
14. HANDLER/SCANNER接口供自动化测试及使仪器扩展为脉冲式变压器线圈测试系统;
15. 三组独立记忆波形选择,适用于三相马达或多组高压线圈扫描.