2026年01月27日 08:57:49 来源:上海乾拓贸易有限公司 >> 进入该公司展台 阅读量:2
WAGO模块产品特点:
无论是简单应用还是具有更高功率需求的自动化应用,WAGO的高效电源产品都能始终为用户提供恒定电压。
每个通道均有个带灯三色按键,简化了设备的开关(on/off)、重启及现场诊断
通道延时接通
24 VDC输出作为组信息(脱扣通道)
24 VDC输出作为通道状态消息(脉冲序列)
远程输入重新接通断开的通道或者通过脉冲序列接通/关断任意通道
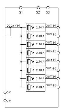
紧凑型8通道电子断路器
额定电流2-10 A,可通过旋转开关对单个通道进行调节
每个通道的接通容量 > 50000 μF
效果图:


性能参数:
Insulation voltage (connectors-housing) DC 0.5 kV
Output voltage range DC 18 … 30 V (Ui – voltage drop(
Voltage drop ≤ 200 mV (Input (+))
Nominal output current Io nom 8 x 2 / 3 / 4 / 6 / 8 / 10 A (adjustable for each channel via selector switch)
防护等 III
防护等 IP20 (符合EN 60529标准)
接线方式 (1) Input (+)
连接技术 直插型笼式弹簧连接技术
WAGO terminal WAGO 831 Series
单股导线 0.5 … 10 mm² / 20 … 8 AWG
细多股导线 0.5 … 10 mm² / 20 … 8 AWG
反向电压保护 No.
Feedback voltage ≤ DC 35 V
通道总数量(模块) 8
Nominal output voltage Uo nom 8 x DC 24 V