2026年01月28日 10:42:46 来源:浙江弘安传动有限公司 >> 进入该公司展台 阅读量:7
马树军
(齐重数控装备股份有限公司)
对于磨床来说,砂轮修整器是的附件,砂轮的修整有多种形式,常见的有金刚滚轮的成形修整、金刚笔的修整,其中金刚滚轮的修整多用于专用磨床,金刚笔修整使用广泛,其可以配合机床数控轴线程序的联动,将砂轮修整为所需要的形状。对于平行砂轮而言,外圆母线的直线修整所需的金刚笔简单,将金刚笔固定,砂轮走直线即可。若要将砂轮外圆母线修整为圆弧,使用固定的金刚笔修整的效果则不是很好。针对这种情况,设计了一种由伺服电动机驱动的砂轮圆弧修整装置,通过实际验证,得到非常好的修整效果,并在产品中广泛应用。
1.原理
将金刚笔安放在可以伸出的套筒上,套筒安装在一个圆弧形的修整臂中间,修整臂两端的的轴通过轴承与支架连接,一端的轴上安装有大同步带轮,通过同步带与减速机轴上的小同步带轮连接,减速机后安装有伺服电动机。同时在同侧的轴上安装有电磁失电制动器,在另一侧的轴端安装有蝶形弹簧,弹簧顶着摩擦片,作为修整臂的阻尼装置使其运行更加平稳。
2.结构组成
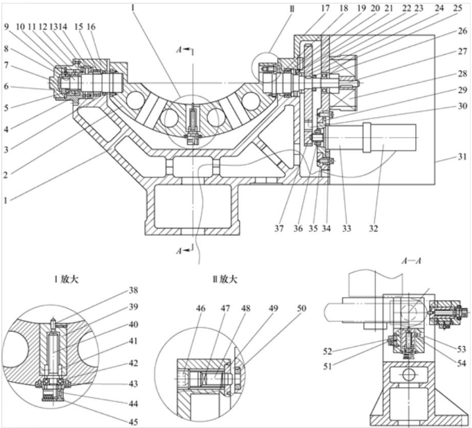
砂轮圆弧修整装置如图1所示。

图1 砂轮圆弧修整装置
1.底座;2.修整臂;3、18.密封圈+垫;4.左法兰;5.垫;6.垫+定位块;7.端盖;8.摩擦片;9.碟形弹簧;10.左轴;11、22、25.锁紧螺母;12、13、20、21、49.套;14、15、26、42.轴承;16.左上盖;17.右上盖;19.行程开关;23.凸轮;24.大同步带轮;27.右轴;28.电磁失电制动器;29.偏心法兰;30.同步带;31.右罩;32.电动机;33.减速器;34.压紧法兰;35.后盖;36.胀套;37.小同步带轮;38、51.金刚笔;39.套筒;40.螺杆;41.螺母;43.法兰盘;44.刻度盘;45.旋钮;46、53.紧定螺钉;47.螺旋弹簧;48销;50.定位套;52.法兰座;54.键
此装置以铸造Y形底座1为基础,上部的左右两端安装有轴向轴承14及径向轴承15、套20和密封圈3、18,将左右轴,10、27支撑,左右轴上设置有锁紧螺母11、22,可以调节径向的圆锥孔圆柱滚子轴承15、套20的径向间隙,左轴端设置有摩擦片8,通过碟形弹簧9将垫6与摩擦片8接触,并时刻保持顶紧力,形成装置的阻尼机构,可通过端盖7调整碟形弹簧的力。
修整臂2与轴10和27连接,支撑在轴承上,右轴27上设置有大同步轮24和电磁失电制动器28。同步带30把大同步带24和小同步带轮37连接,小同步带轮37通过胀套36与减速器33连接,减速器后安装有驱动伺服电动机。减速器安装在偏心法兰29上,压紧法兰34压住偏心法兰29,装配时旋转偏心法兰29调整两个带轮之间的中心距离。
右轴上设置有凸轮23,凸轮可以在旋转过程中触发行程开关19,作为电动机换向的信号,使修整臂成摇摆的工作状态。
在修整臂中间位置径向设置有套筒39,套筒上安装有金刚笔38,金刚笔由紧定螺钉固定。套筒39后端安装有螺母41,通过旋转旋钮45可带动螺杆40旋转,螺杆驱动丝母41使套筒伸出、缩回,此时金刚笔可以将砂轮的母线修整成0~R70mm的圆弧。旋钮45上设置有刻度环44,每格0.02mm,旋钮旋转一格套筒伸出0.02mm。
在修整臂中间侧面设置有法兰座52,其上安装有金刚笔51,金刚笔由紧定螺钉固定。修整臂右侧设置有销48,销后设置有紧定螺钉46,旋转螺钉46推动销48插入定位套50中,此时与电磁失电制动器28配合,可将修整臂固定在需要角度位置,此时金刚笔,51可将砂轮母线修整成斜线,用于磨削工件的斜面。当反向旋转螺钉46时销38被弹簧47弹回脱离定位套50。
3.应用实例
1)在设计的DVTG350×20/32l―NC的数控双柱立式磨床中,我们应用了该项技术,其电动机选用1FK7042,2.6N·m,3 000r/min;减速器选用AB90,1∶25,小同步带轮齿数22,大同步带轮齿数110,此时修整臂的工作转数为24r/min。
2)在设计的BVG200×5/5P―NC的数控立式磨床中,我们同样应用了该项技术,其电动机选用1FK7042,2.6N·m,3 000r/min;减速器选用FB90,1∶25,小同步带轮齿数22,大同步带轮齿数110,此时修整臂的工作转数为24r/min。此次应用只是将例1)中的减速器更换,目的是在保证功能的前提下降低成本,以达到更节能的目的。
4.结语
在砂轮圆弧修整装置结构组成中,设计时注意同步带的强度选择,及凸轮的形状涉及修整臂的回摆角度,偏心法兰偏心量的选择涉及同步带的调整量问题,修整臂所需的工作转速涉及同步带降速和减速器降速的选择。砂轮圆弧修整装置的设计成功, 大大提高了砂轮圆弧修整的效率和圆弧数值的准确性,且制造成本低廉,因此在笔者公司带磨头的数控机床中得到了广泛的应用。
参考文献:
[1] 西北工业大学机械原理及机械零件教研室.机械设计[M].7版.北京:高等教育出版社,2001.
[2] 唐金松.简明机械设计手册[M].上海:上海科学技术出版社,2009.
[3] 机床设计手册编写组.机床设计手册:第二册[M].北京:机械工业出版社,1980.
[4] 隋秀凛,高安邦.实用机床设计手册[M].北京:机械工业出版社,2010.
来源:《金属加工(冷加工)》杂志
(版权归原作者或机构所有)