2026年01月29日 08:15:57 来源:浙江弘安传动有限公司 >> 进入该公司展台 阅读量:3
作者:张飞翔
反馈3米8生料磨液压系统的管道震动非常剧烈、声音异响很大、蓄能器皮囊和菌阀频繁被振坏,液压管道甚至都震裂开了又补焊的情况。自己尝试寻找外单位多次解决无果。急切希望我能给分析和解决问题。
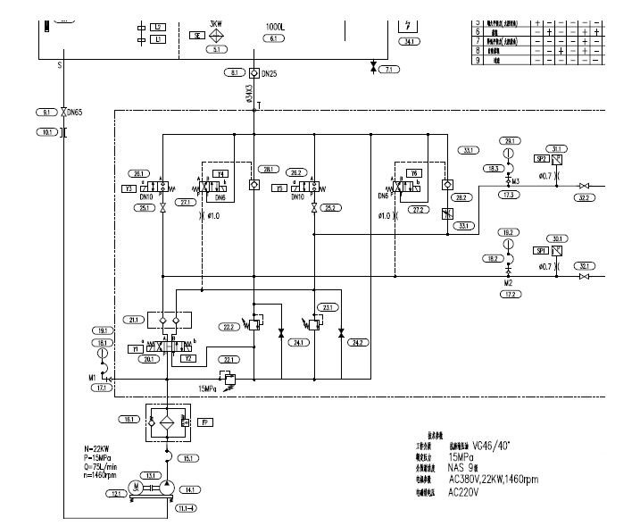
因为工作比较忙,一直在外地给用户处理液压系统问题。我先要了两端视频。发现震动如朋友描述一样。震动剧烈和管道啪啪异响。蓄能器下面的高压胶管震动剧烈。索要液压系统的液压原理图如下所示:

最近有功夫过去看看。到现场查看后发现是:下腔(也叫油缸无杆腔)的管震动剧烈和异响很大,站在磨机下面天崩地裂的感觉,感觉管道随时有裂开危险。为了窑不停产用户无法停机,只能带着故障继续生产。根据实际情况,震动比较严重,如果不立即处理,会造成非必要的原件损坏和检修,造成耽误生产。我立即跟生产设备负责人沟通后做出安排如下:
1、请立即申请停机2小时(用户实际申请了5小时),并预判处理后,重新开机,问题就消除了;
2、请立即安排人拿0-10MPa压力表的从其工具给我重新核实氮气压力;
3、请立即安排得力人配合我拆阀检查。
拆阀检查期间,还顺便给他们维护工人进行了简单的系统压力、研磨工作压力、抬辊压力的调试培训;经过不到2小时处理完毕后重新备妥液压系统后重新开磨,除了减速机驱动磨盘的正常声音外,其它异常的声音全部消失,一切都安静下来。同时还给用户提出来本系统的薄弱地方和改进措施。希望用户可以在两腔的调压阀地方设置前置过滤器,防止油脏卡塞问题出现。用户非常满意。
如图所示:

本次处理的结论:
1、下腔泄压阀的前置板式球阀里面有断裂的O型圈异物。造成下腔泄压不通畅,管道里面的波动压力无法释放,累计造成破坏性冲击;
2、氮气压力与工作压力不匹配。