2026年01月30日 16:31:32 来源:浙江弘安传动有限公司 >> 进入该公司展台 阅读量:3
随着高精密的直线导轨在工业自动化中运用的广泛性,掌握一定的安装技巧是很有必要的,掌握好正确的安装直线导轨的方法,提高导轨的使用寿命与使用精度。
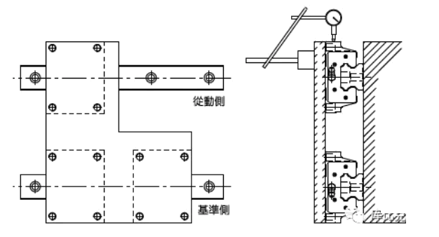
在无侧向定位装配面的安装中为确保从动侧滑轨与基准侧滑轨间的平行度。

一、使用安装基准面安装方法

先使用装配螺丝将直线导轨底部基准面大概固定于床台底部装配面,再用虎钳将滑轨侧边基准面逼紧床台侧边装配面,以确定滑轨位置后,使用扭力扳手,一定的扭力按顺序锁紧固定螺丝,将滑轨底部基准面逼紧床台底部装配面。
二、从动侧直线导轨的安装
1、直线块规法

将直线块规置于两支直线导轨间,使用千分量表校准直线块规,使之与基准侧滑轨之侧边基准面平行,再依直线块规校准从动侧滑轨,从动轨的一端开始校准并依序以特定的扭力锁紧装配螺丝。
2、移动平台法

将基准侧两个滑块固定在一个测定平台上,而从动侧只装上一个滑块,滑轨和滑块都尚未固定于床台与平台,使用附于从动侧滑块顶面千分量表,量测从动侧滑块的侧基准面,从动直线导轨的一端开始校准并依序以特定的扭力锁紧装配螺丝。
3、效仿基准侧滑轨法

将基准侧直线导轨的两个滑块及从动侧导轨其中一个滑块固定于平台,再将从动侧的滑轨及其另一个滑轨约略分别固定于床台及平台,以基准侧滑轨为准移动平台,从滑轨一端开始,边确认从动侧直线导轨的滚动阻力,边依序以特定的扭力锁紧装配螺丝。
4、专用工具法

使用专业工具确定从动侧滑轨的位置,并依序以特定的扭力锁紧装配螺丝。
来源:库比克工业集团
(版权归原作者或机构所有)