2026年02月01日 12:30:38 来源:浙江弘安传动有限公司 >> 进入该公司展台 阅读量:7

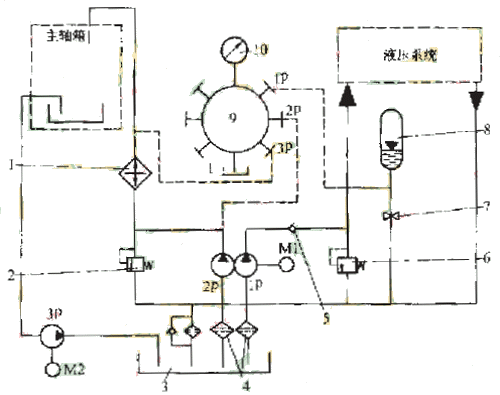
1.制冷器;2、6.直控溢流阀;3.主油箱;4.滤油器;5.单向阀;7.手动截止阀;8.蓄能器;9.液压选择开关;10.油压表
MT2V液压和主轴润滑原理图
分析故障现象及液压润滑原理,因为是在低温冷机启动液压润滑系统后短时间漏油,且机床各动作正常,也无任何报警提示,可以排除高压液压系统泄漏的问题。故障范围应该是在主轴润滑系统,因机床尚在保修期内,外方维修人员先后两次来厂更换回油泵3P,但仍未将故障排除,随着春季气温回升,漏油量逐渐减少,Z后故障消失。
1998年冬季,随着气温的下降,故障再次出现。我们翻阅液压润滑部分说明资料,资料显示当液压选择开关9放置在“2P”档时,油压表10显示油压应为0.5~1MPa。现场实测,在厂房内Z低环境温度6℃时,冷机启动机床液压润滑系统,润滑油油温为6℃,此时“2P”档油压值为1.8MPa,随着主轴运转时间加长,油温上升,油压下降,当油温升至设定温度25℃冷却器启动时,“2P”档油压值为0.7MPa。从油压降至1.2MPa以后,漏油量开始减少,之后,故障逐渐消失,机床进入正常运行状态,油温在18~26℃间周期性波动,油压随油温在0.7~1.3MPa之间周期性波动,油温油压间关系如表1所示。由此可以判断该机床在夏季安装调试时调整的润滑油压在冬季还需要进行调整,否则,当环境温度下降时润滑油粘度增大,冷机启动液压润滑系统时,回油泵回油量变小,就出现了主轴箱润滑油供油量大于回油量,造成润滑油外溢故障。根据油温油压间的关系,我们理解液压润滑部分说明资料所注明的“2P”档油压0.5~1MPa并非一般理解为静态调整到0.5~1MPa任一值即可,而应该理解为油压随油温在0.5~1MPa间波动(任何情况下不能低于0.5MPa)。油压调整值过低,会造成润滑不足,引起设备事故;油压调整值过高,则会造成冬季冷机启动系统时,主轴箱润滑油供油量大于回油量,造成润滑油外溢故障。调高该油压值,经调整后机床正常工作时油温油压间关系如表2所示,冷机启动系统时,“2P”档油压值为1.3MPa。该油压本着能高则高的原则要随气温经常调整,进入夏季,调整直控溢流阀2时对油压下限影响不大,特别是当主轴以高速运转时,油温保持在29℃,制冷器不再停机,油压为0.45MPa,此时调整直控溢流阀2,已不能改变油压值。

表1 油温油压关系