一、HTD3088DSG_HTD3088DA简述
这两款隔离变送器集成智能温度变送器、隔离器、配电器一体,拥有“输入-输出1-输出2 -电源”四者隔离等特点,可高密度安装!
二、HTD3088DSG_HTD3088DA功能与特点
1.集成智能温度变送器、隔离器、配电器一体
2.“输入-输出1-输出2 -电源”四者隔离
3.软件非线性修正,输入输出高线性度转换
4.可高密度安装
5.软件自稳零,**温漂和时漂引起的误差
6.用户可通过PC8800设定信号范围和信号类型
三、HTD3088DSG_HTD3088DA参数表
注1.(Sn1):根据传感器的型号设定对应的代码。见(表一)
注2.(PvL1):设定第1路变送输出零点值。
注3.(PvH1):设定第1路变送输出满点值。
注4.(PB1):用作传感器输入零点偏移修正。
注5.(K1):用作传感器输入满点修正。
注6.(out1):第1路变送输出类型,可设定3种输出类型:
out1 = 1 时为0~10mA或0~2.5V变送输出。
out1 = 2 时为4~20mA或1~5V变送输出。
out1 = 3 时为0~20mA或0~5V变送输出。
注7.(InL1)(InH1):设定第1路非标输入信号的*小值和*
大值仅,当Sn=16或17毫伏信号或电阻信号输入时,才需设
定。以配接远传压力表0~375Ω输入
为例设定: InL1=0,InH1=375
注9.第2路参数设定与第1路参数设定一样
注10.(BCD):通冷补修正系数:1度/-0.04MV
四、HTD3088DSG_HTD3088DA规格说明
连接方式: 可插拔,可接0.5mm~2.5mm 多束或单股电缆
端子螺丝材质 : 铁表面镀镍
机壳材质 : 耐燃性树脂
隔离 : 通道绝缘(输入-输出-电源间)
电源显示灯: 绿色LED,电源供电时点亮
输入报警灯: 红色LED,输入回路异常时闪烁
五、HTD3088DSG_HTD3088DA输入类型和量程表
(表一)HTD3088隔离变送器输入信号类型
电阻输入激励: 约250uA
电流输入电阻: 内置输入电阻器50Ω
电压输入电阻: ≥1000KΩ
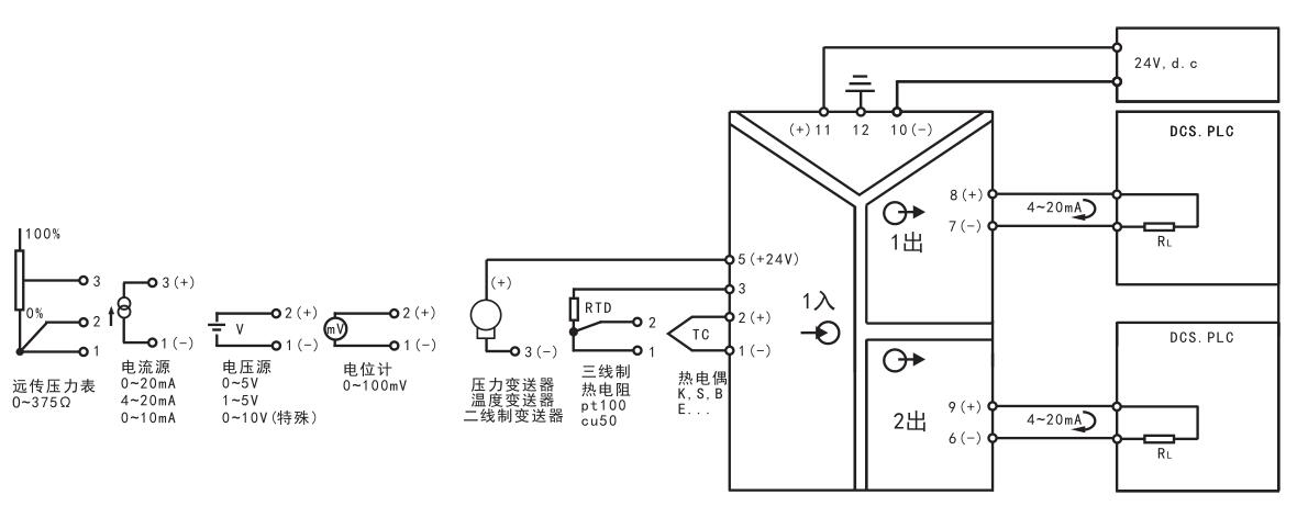
六、HTD3088DSG_HTD3088DA接线端子图

七、HTD3088DSG_HTD3088DA相关推荐
使用了HTD3088DSG隔离变送器和HTD3088DA隔离变送器的客户还会用到SBWZ-2280导轨式温度变送器,以上就是HTD3088DSG_HTD3088DA隔离变送器完整的参数说明,希望可以帮到您!