2026年03月24日 15:00:56 来源:上海爱儿康工业器材有限公司 >> 进入该公司展台 阅读量:2
10A-5系列气缸安装尺寸
1、 引进日本太阳铁工株式会社(TAIYO)技术,按该社许可证生产的无给油润滑气缸。
2、 “三优" “省优"、“部优"、“名优"产品。
3、 八十年代水平。主要零件用铝合金制造,重量轻。缸壁经硬质阳极氧化,特别耐磨,寿命长。
4、 安装尺寸符合ISO(国际标准)
5、 无给油(也可给油)润滑,避免油气污染,可省去油雾器。
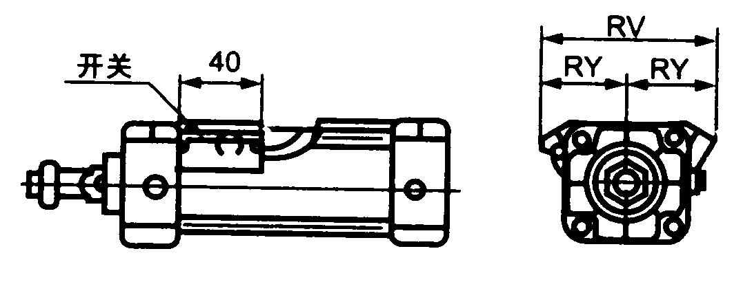
6、 品种规格多,可供带开关和带阀的组合式气缸,节省接管时间,维护操作方便。
型号
二、图形符号及外观

标准型 带开关型 带阀型 带阀带开关型
10A-5系列气缸安装尺寸
带阀型通电时推式 带阀型通电时拉式 带阀型自己保持式

三、特点
1、主要零件用铝合金制造,重量轻。缸壁经硬质阳极氧化,特别耐磨,寿命长。
2、安装尺寸符合ISO(国际标准)。
3、无给油(也可给油)润滑,避免油气污染,可省去油雾器。
4、品种规格多,可供带开关和带阀的组合式气缸,节省接管时间,维护操作方便。
四、主要技术参数
1、气缸的主要技术参数
气缸品种 | 10A-5(标准型)10A-5R(带开关型) | 10A-5V(带阀型)10A-5K(带阀带开关型) | |||||||||||||||||||||
气缸内径D(mm) | Φ32 | Φ40 | Φ50 | Φ63 | Φ80 | Φ100 | Φ125 | Φ160 | Φ32 | Φ40 | Φ50 | Φ63 | Φ80 | Φ100 | Φ125 | Φ160 | |||||||
*大行程S(mm) | 500 | 800 | 1000 | 500 | 800 | 1000 | |||||||||||||||||
使用压力范围(MPa) | 0.05~1.0 | 0.15~0.8 | |||||||||||||||||||||
耐压力(MPa) | 1.5 | 1.2 | |||||||||||||||||||||
使用速度范围(mm/sec) | 50~700 | 50~500 | |||||||||||||||||||||
使用温度范围(℃) | -25 ~+80(但在不冻结条件下) | -25~+80(但在不冻结条件下) | |||||||||||||||||||||
工作介质 | 空气、干燥空气 | ||||||||||||||||||||||
给油 | 不需要(也可给油) | ||||||||||||||||||||||
缓冲 | 两侧可调缓冲 | ||||||||||||||||||||||
缓冲行程(mm) | 20 | 25 | 28 | 20 | 25 | 28 | |||||||||||||||||
*短 | 安装 | 气缸型号 | 10A-5R | 10A-5V | 10A-5K | ||||||||||||||||||
TC | Φ32~Φ125 | 125 | 75 | 125 | |||||||||||||||||||
Φ160 | 120 | 165 | 165 | ||||||||||||||||||||
其他 | Φ32~Φ125 | 30 | 50 | 50 | |||||||||||||||||||
Φ160 | 110 | 165 | 165 | ||||||||||||||||||||
记 号 | A | B | D | C | E | P | ||
品 种 | 单 电控 | 双 电控 | ||||||
二 位 | 三 位 | |||||||
通电时推式 | 通电时拉式 | 自己保持式 | 中封式 | 中排式 | 中压式 | |||
额定电压 | AC220V50HZ | |||||||
DC24V | ||||||||
容许电压波动 | ±10% | |||||||
带阀气缸内径(mm) | Φ32、Φ40、Φ50、Φ63、Φ80、Φ100、Φ125 | Φ160 | ||||||
起动电流 | AC220V | 45mA | 100mA | |||||
保持电流 | AC220V | 34mA | 75mA | |||||
DC24V | 295mA | 300mA | ||||||
消耗功率 | AC220V | 7.5VA | 16.5VA | |||||
DC24V | 7W | 7.2W | ||||||
绝缘等级 | B | |||||||
工作介质 | 空气、干燥空气 | |||||||
给油 | 不需要(也可给油) | |||||||
使用压力范围 | 0.15~0.8MPa | |||||||
耐压力 | 1.2MPa | |||||||
记号 | E | F | G | H | |
型号(带软线1.5m) | SR101 | SR102 | SR301 | SR401 | |
使用电压范围 | DC5~50V | AC80~220V | |||
| 使用电流范围 | - 10~ + 60℃ | 6~30mA | 25~50mA | 0~20mA | 0~300mA |
| + 60~ + 70℃ | 6~25mA | 25~40mA | |||
*大触点容* | 1.5W | 2VA | 30VA | ||
漏电流 | 0 | 1mA以下 | |||
指示灯 | 发光二极管(ON时亮) | ||||
动作时间 | 1msec以下 | 氖管(OFF时亮) | |||
回复时间 | 1msec以下 | 1msec以下 | |||
耐冲击 | 30G | 30G | |||
使用温度范围 | -10~+70℃(但在不冻结条件下) | ||||
贮藏温度范围 | -20~+80℃(但在不冻结条件下) | ||||
适用负载 | 超小型继电器 | 小型继电器 | 超小型继电器 小型继电器 | 小型继电器,一般继电器,小型电磁线圈,指示灯和定序器。的主要技术参数 | |


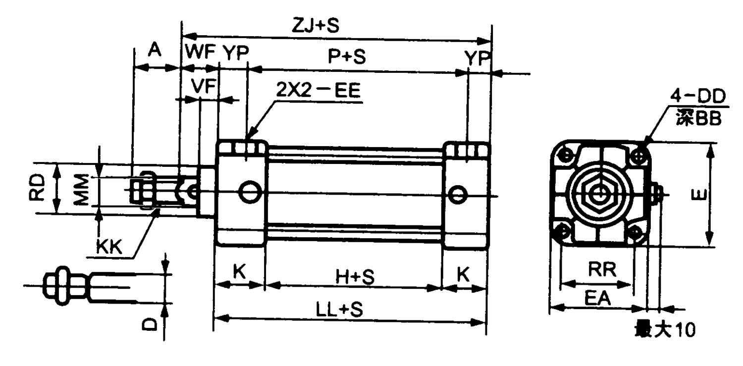
10A-5(标准型) 10A-5R(带开关型) 10A-5V(带阀型)



通电时推式 通电时拉式 自己保持式 三位中封式、中排式、中压式
缸径 | A | BB | D | DD | E | EA | EE | H | K | KK | EV | VZ | VR | LL |
ф32 | 22 | 8 | 10 | M6×1 | 44 | 44 | G1/8″ | 29 | 32 | M10×1.25 | G1/4″ | 155 | 99 | 93 |
ф40 | 24 | 8 | 13 | M6×1 | 50 | 50 | G1/4″ | 29 | 32 | M12×1.25 | G1/4″ | 155 | 99 | 93 |
ф50 | 32 | 8 | 19 | M6×1 | 62 | 62 | G1/4″ | 29 | 32 | M16×1.5 | G1/4″ | 155 | 99 | 93 |
ф63 | 32 | 9 | 19 | M8×1.25 | 76 | 75 | G3/8″ | 32 | 32 | M16×1.5 | G3/8″ | 165 | 102 | 96 |
ф80 | 40 | 11 | 22 | M10×1.5 | 94 | 94 | G3/8″ | 32 | 38 | M20×1.5 | G3/8″ | 165 | 102 | 108 |
ф100 | 40 | 11 | 22 | M10×1.5 | 114 | 112 | G1/2″ | 32 | 38 | M20×1.5 | G3/8″ | 165 | 102 | 108 |
ф125 | 54 | 14 | 27 | M12×1.75 | 138 | 136 | G1/2″ | 38 | 38 | M27×2 | G1/2″ | 180 | 107 | 114 |
ф160 | 72 | 18 | 36 | M16 | 174 | 172 | G3/4″ | 39 | 43 | M36×2 | G3/4″ | 170 | 60 | 125 |
缸径 | MM | P | RD | RR | VF | WF | YP | ZJ | VE | VT | RV | RY | VY | VP |
ф32 | ф12 | 58 | ф28 | □33 | 15 | 25 | 17.5 | 118 | 121 | 96 | 74 | 37 | 260 | 120 |
ф40 | ф16 | 58 | ф32 | □37 | 15 | 25 | 17.5 | 118 | 121 | 96 | 80 | 40 | 260 | 120 |
ф50 | ф22 | 58 | ф38 | □47 | 15 | 25 | 17.5 | 118 | 121 | 96 | 90 | 45 | 260 | 120 |
ф63 | ф22 | 61 | ф38 | □56 | 15 | 25 | 17.5 | 121 | 128 | 101 | 102 | 51 | 284 | 129 |
ф80 | ф25 | 65 | ф47 | □70 | 21 | 35 | 21.5 | 143 | 128 | 101 | 118 | 59 | 284 | 129 |
ф100 | ф25 | 65 | ф47 | □84 | 21 | 35 | 21.5 | 143 | 128 | 101 | 132 | 66 | 284 | 129 |
ф125 | ф32 | 71 | ф54 | □104 | 21 | 35 | 21.5 | 149 | 137 | 125 | 154 | 77 | 306 | 138 |
ф160 | ф40 | 79 | ф62 | □134 | 25 | 42 | 23 | 167 | 110 | 166 | 186 | 93 | 188 | 69 |
注:1、当ф160气缸为TC、TCC安装时,VT=180。
2、气缸的安装尺寸可参照此表和10A-5系列气缸附件尺寸计算出来。
10A-5系列气缸安装尺寸
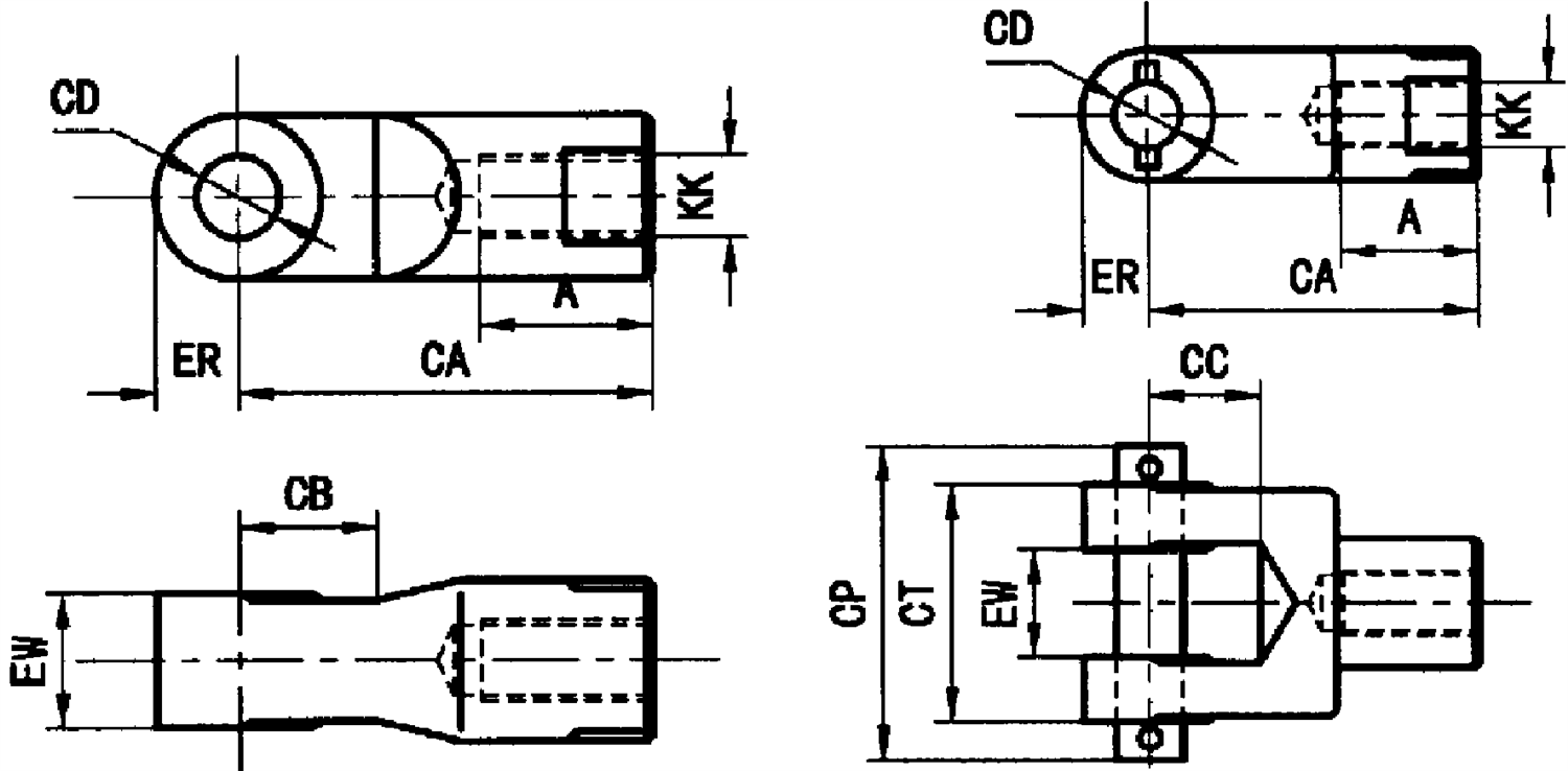
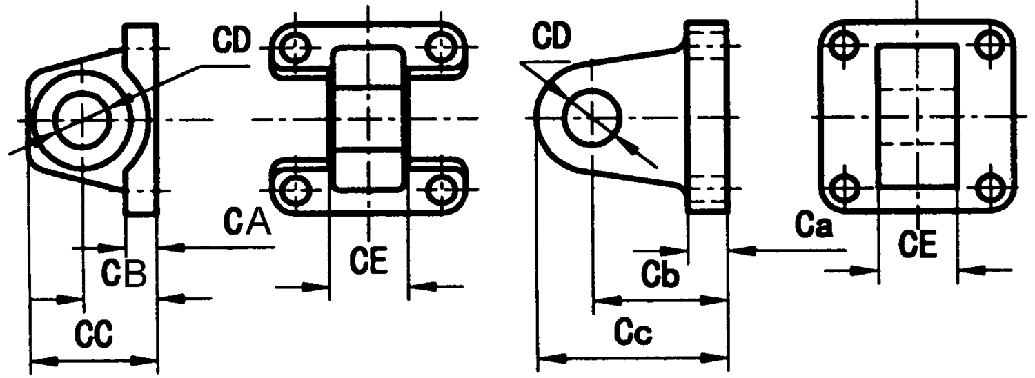
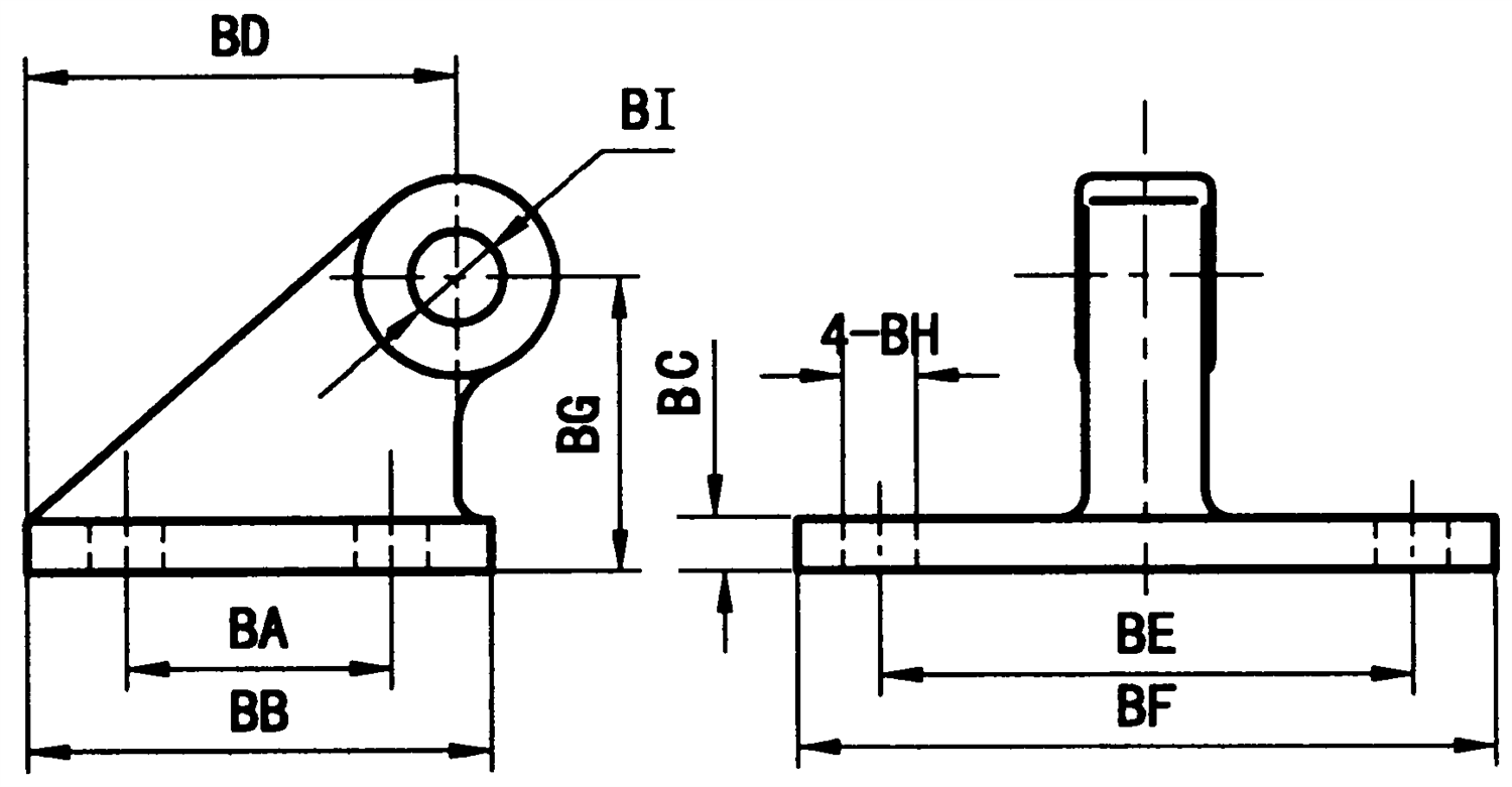
2、LA(横向脚架式) 3、LB(轴向脚架式) 4、FA(前法兰式)

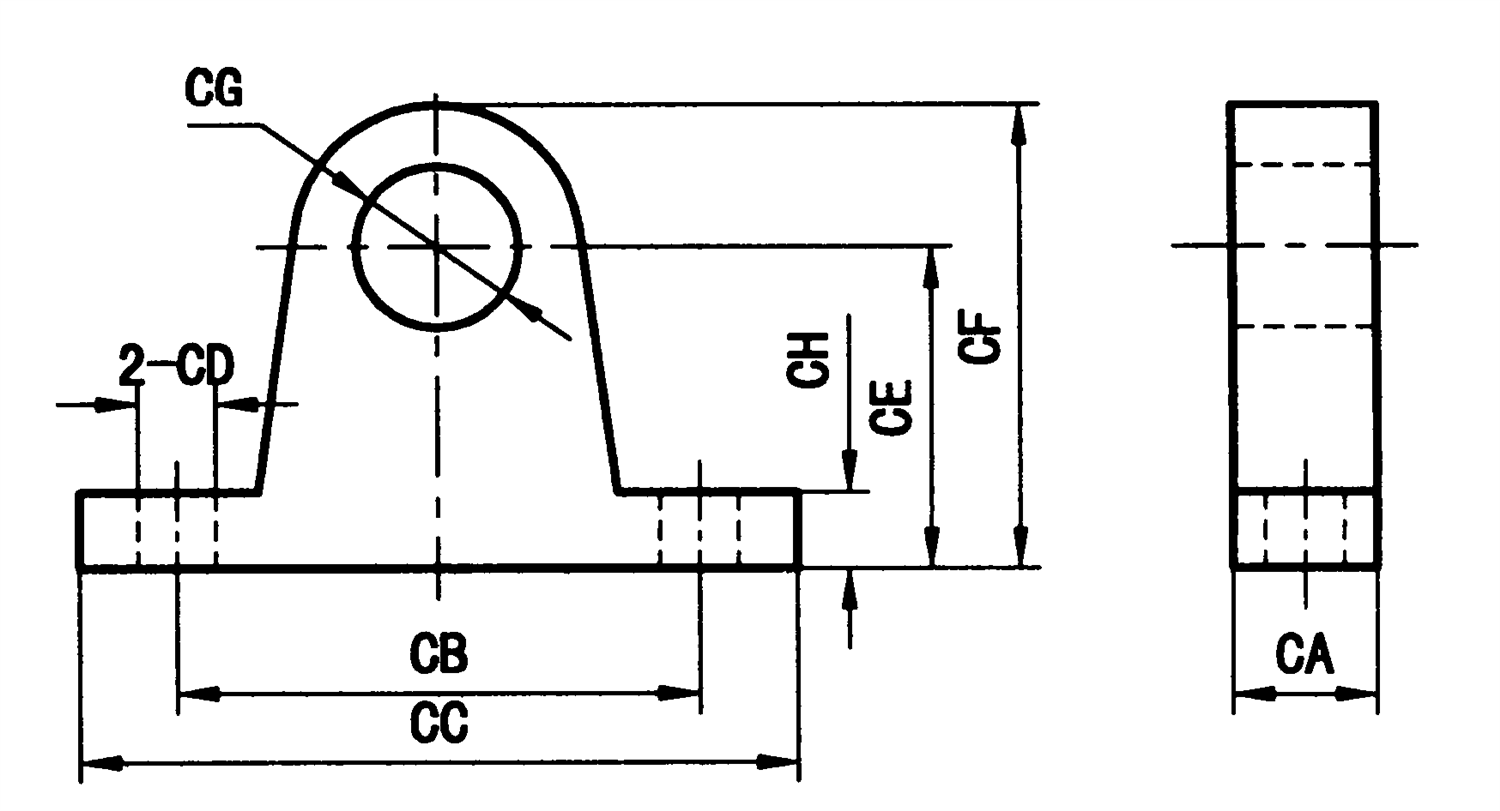
5、FB(后法兰式) 6、CA、CC(单悬耳式) 7、CB(双悬耳式)

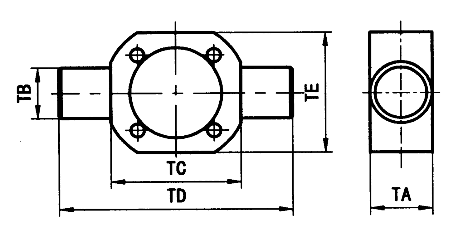
8、TC(中间较轴式) 9、CBB(双悬耳座式) 10、TCC(铰轴座式)
六、连接形式 
1、杆部杆叉式(RT-Y) 2、杆部杆座式(RT-CB) 3、杆部叉杆式(RY-T)

4、单悬耳叉式(HCA-Y) 5、单悬耳座式(HCA-CB) 6、杆部叉座式(RY-CA)

有关尺寸详见10A-5系列气缸附件尺寸表。
7、双悬耳杆式(HCB-T) 8、双悬耳座式(HCB-CA) 9、杆部叉座式(RY-CBB)
10A-5系列气缸安装尺寸
七、附件尺寸表
| 缸径 | Φ32 | Φ40 | Φ50 | Φ63 | Φ80 | Φ100 | Φ125 | Φ160 |
LA | 22 | 22 | 24 | 26 | 33 | 37 | 45 | 44 | |
LB | 13 | 14 | 14 | 14 | 18 | 18 | 21 | 22 | |
LC | 63 | 70 | 83 | 95 | 121 | 140 | 175 | 214 | |
LD | 80 | 91 | 104 | 116 | 146 | 165 | 211 | 254 | |
LE | 5.5 | 6.6 | 7.6 | 10 | 12 | 15 | 17 | 21 | |
LF | 8 | 8 | 9 | 9 | 12 | 14 | 17 | 17 | |
LG | Φ9 | Φ12 | Φ12 | Φ12 | Φ14 | Φ14 | Φ18 | Φ18 | |
LH | 10 | 10 | 10 | 10 | 13 | 13 | 17 | 18 | |
| LA | 9.5 | 12.5 | 12 | 13 | 16 | 16 | 18 | 20 |
LB | 20.5 | 23.5 | 28 | 31 | 30 | 30 | 35 | 40 | |
LC | 33 | 36 | 47 | 56 | 70 | 84 | 104 | 134 | |
LD | 50 | 57 | 68 | 80 | 97 | 112 | 136 | 170 | |
LE | 11.5 | 11.5 | 13.1 | 13 | 14 | 15 | 18 | 24 | |
LF | 3 | 3 | 3 | 3 | 4 | 4 | 6 | 8 | |
LG | Φ9 | Φ12 | Φ12 | Φ12 | Φ14 | Φ14 | Φ18 | Φ17 | |
| FA | 10 | 10 | 10 | 12 | 16 | 16 | 20 | 25 |
FB | 33 | 36 | 47 | 56 | 70 | 84 | 104 | 134 | |
FC | 47 | 52 | 65 | 76 | 95 | 115 | 138 | 172 | |
FD | 58 | 70 | 86 | 98 | 119 | 138 | 168 | 208 | |
FE | 72 | 84 | 104 | 116 | 143 | 162 | 196 | 240 | |
FF | Φ7 | Φ7 | Φ9 | Φ9 | Φ12 | Φ12 | Φ14 | Φ17 | |
| CA | 8 | 8 | 10 | 13 | 18 | 18 | 18 | 20 |
Ca | 10 | 10 | 10 | 10 | 14 | 14 | 14 | 15 | |
CB | 19 | 19 | 19 | 19 | 32 | 32 | 32 | 40 | |
Cb | 34 | 34 | 34 | 34 | 48 | 48 | 48 | 55 | |
CC | 31 | 33 | 33 | 33 | 52 | 52 | 52 | 70 | |
Cc | 46 | 48 | 49 | 49 | 68 | 68 | 68 | 83 | |
CD | Φ12 | Φ14 | Φ14 | Φ14 | Φ20 | Φ20 | Φ20 | Φ28 | |
CE | 16 | 20 | 20 | 20 | 32 | 32 | 32 | 40 | |
| CA | 8 | 8 | 8 | 8 | 11 | 11 | 14 | 15 |
CB | 19 | 19 | 19 | 19 | 32 | 32 | 32 | 40 | |
CC | 32 | 32 | 34 | 34 | 53 | 53 | 53 | 68 | |
CD | Φ12 | Φ14 | Φ14 | Φ14 | Φ20 | Φ20 | Φ20 | Φ28 | |
CE | 16 | 20 | 20 | 20 | 32 | 32 | 32 | 40 | |
CF | 32 | 44 | 52 | 52 | 64 | 64 | 64 | 80 |
TC中间铰轴 | 缸径 | Φ32 | Φ40 | Φ50 | Φ63 | Φ80 | Φ100 | Φ125 | Φ160 |
TA | 30 | 30 | 30 | 30 | 35 | 40 | 43 | 53 | |
TB | Φ16 | Φ25 | Φ25 | Φ25 | Φ25 | Φ25 | Φ25 | Φ36 | |
TC | 55 | 63 | 76 | 88 | 114 | 132 | 158 | 200 | |
TD | 87 | 113 | 126 | 138 | 164 | 182 | 208 | 272 | |
TE | 52 | 59 | 71 | 86 | 104 | 128 | 158 | 200 | |
| BA | 40 | 40 | 40 | 40 | 65 | 65 | 77 | 120 |
BB | 60 | 70 | 70 | 70 | 95 | 95 | 112 | 165 | |
BC | 8 | 8 | 8 | 8 | 12 | 12 | 15 | 23 | |
BD | 55 | 65 | 65 | 65 | 85 | 85 | 112 | 142.5 | |
BE | 65 | 80 | 80 | 80 | 105 | 105 | 110 | 130 | |
BF | 85 | 105 | 105 | 105 | 135 | 135 | 145 | 175 | |
BG | 35 | 45 | 45 | 45 | 60 | 60 | 75 | 115 | |
BH | Φ9 | Φ11 | Φ11 | Φ11 | Φ14 | Φ14 | Φ18 | Φ22 | |
BI | Φ12 | Φ14 | Φ14 | Φ14 | Φ20 | Φ20 | Φ20 | Φ28 | |
| CA | 15 | 23 | 23 | 23 | 23 | 23 | 25 | 36 |
CB | 60 | 80 | 80 | 80 | 85 | 85 | 105 | 140 | |
CC | 80 | 110 | 110 | 110 | 120 | 120 | 145 | 185 | |
CD | Φ9 | Φ12 | Φ12 | Φ12 | Φ14 | Φ14 | Φ18 | Φ22 | |
CE | 40 | 50 | 50 | 50 | 70 | 70 | 85 | 130 | |
CF | 56 | 72 | 72 | 72 | 92 | 92 | 115 | 170 | |
CG | Φ16 | Φ25 | Φ25 | Φ25 | Φ25 | Φ25 | Φ25 | Φ36 | |
CH | 12 | 12 | 12 | 12 | 14 | 14 | 25 | 25 | |
T单耳接杆 Y叉形带销接杆 | A | 23 | 25 | 33 | 33 | 41 | 41 | 56 | 69 |
CA | 55 | 60 | 60 | 60 | 85 | 85 | 100 | 125 | |
CD | Φ12 | Φ14 | Φ14 | Φ14 | Φ20 | Φ20 | Φ20 | Φ28 | |
ER | R12 | R12 | R14 | R14 | R19 | R19 | R20 | 28 | |
EW | 16 | 20 | 20 | 20 | 32 | 32 | 32 | 40 | |
KK | M10× | M12× | M16× | M16× | M20× | M20× | M27× | M36× | |
CC | 20 | 20 | 18 | 18 | 28 | 28 | 35 | 36.5 | |
CB | 20 | 20 | 20 | 20 | 30 | 30 | 32 | 33 | |
CP | 46 | 58 | 58 | 58 | 78 | 78 | 78 | 97 | |
CT | 32 | 44 | 44 | 44 | 64 | 64 | 64 | 80 | |
ED | Φ36 | Φ40 | Φ42 | Φ42 | Φ50 | Φ50 | Φ56 | Φ60 | |
TA | 18 | 20 | 24 | 24 | 30 | 30 | 41 | 62 | |
SA | 43 | 50 | 64 | 64 | 77 | 77 | 103 | 115 | |
FA | 29 | 29 | 36 | 36 | 47 | 56 | 68 | 71 | |
FB | 21 | 21 | 28 | 28 | 34 | 34 | 47 | 50 | |
FE | 14 | 14 | 16 | 16 | 22 | 24 | 36 | 42 | |
FJ | 70 | 70 | 89 | 89 | 110 | 123 | 157 | 171 | |
FM | Φ34 | Φ34 | Φ44 | Φ44 | Φ52 | Φ52 | Φ64 | Φ70 | |
SW | 16 | 20 | 21 | 21 | 25 | 25 | 35 | 40 |
2、阀的主要技术参数
10A-5系列气缸安装尺寸

带阀型三位中封式样 带阀型三位中排式 带阀型三位中压式
10A-5系列气缸安装尺寸