2026年03月24日 15:43:14 来源:上海爱儿康工业器材有限公司 >> 进入该公司展台 阅读量:2
递进式分配器
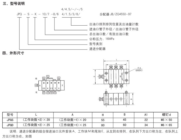
主要有片式和块式两种类型, 在润滑系统中多采用片式分配器, 即每一个递进式分配器都由一个起始片、一个终止片和至少三个中间片组成。
主要有片式和块式两种类型, 在润滑系统中多采用片式分配器, 即每一个递进式分配器都由一个起始片、一个终止片和至少三个中间片组成,中间片的数目从理论上来说可以是N片,但不管数目是多少,都可以和起始片及终止片组合成一个完整的整体。中间片每一片均有一个工作活塞和两个出油口,出油口设在中间片的左右两端。如图是递进式分配器的工作原理图。在图a中,润滑剂从上部的进油口进入,通过环形槽后到达活塞II和活塞III左端并推动它们向右移动,使活塞容腔中的润滑剂依次从出油口1和2排出。而当活塞III到达右端极限位置后,进入分配器的润滑剂又通过左边的环形槽到达活塞I的右端,推动活塞I向左移动,使活塞容腔中的润滑剂从出油口3排出;而图b所示的过程在活塞运动的方向上正好相反,相应地,润滑剂依次从出油口4、5、6排出。只要进入递进式分配器的润滑剂维持一定的压力,分配器就会连续工作。另外如果中间片的数目不止3 片, 可依此类推。只要任何一个中间片中的活塞卡死不能动作, 其他中间片中的活塞就会全部受阻,整个分配器将停止工作,这一精巧的构思使得监视输出油量是否正常变得极为便利,只要在中间片设置感 应活塞动作的接近开关, 可在活塞阻塞时及时报警。


