2025年12月19日 09:10:52 来源:连云港市神美电力辅机有限公司 >> 进入该公司展台 阅读量:6
汽液两相流疏水器-汽液两相流自动装置-自调节液位控制装置应用?
汽液两相流疏水器-汽液两相流自动装置-自调节液位控制装置应用?广泛应用于电力、煤炭、冶金、石油、石化、化工等行业,它是近年来研究并推广的一种全新结构的设备。该汽液两相流疏水器装置目前在全国大、中、小电厂普遍推广应用,并收到良好的经济效益和社会效益。新型汽液两相流疏水器装置具有:调节娄敏、准确、传感得当自如,经济性强,误差率极小,无须检修,寿命长等优点。
一、汽液两相流疏水器用途
汽液两相流疏水器广泛应用于电力、石油化工、冶金、等行业中需要液位控制的设备。是替代传统、浮球式、气动式、电动式的*选产品。
二、汽液两相流疏水器工作原理简述
汽液两相流疏水器装置基于“汽液两相流”原理,摒弃了传统的浮球式、气动式、电动式液位控制设备的缺点,自动调节容器出口液体的流量,从而达到更为稳定的液位。
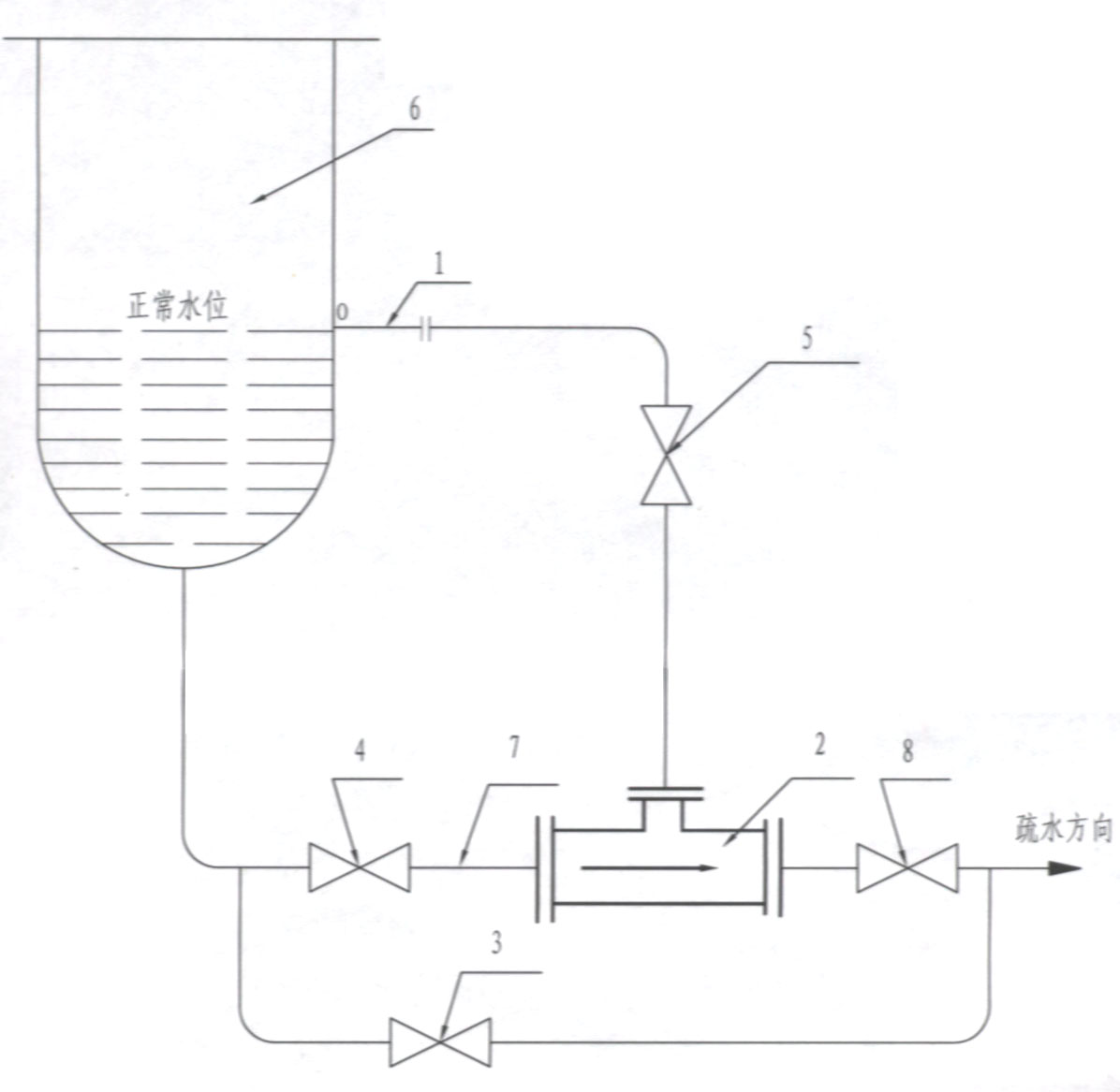
基本原理是:疏水由本装置入口进入阀腔,相变管(信号管)根据液位高低采集汽相、液相信号直接进入阀腔,与疏水混合后流经特定设计的喉口。当液位上升时,汽相信号减少,因而疏水流量增加,当液位下降时,汽相信号增加,减少喉口有效通流面积,使疏水流量降低,达到有效阻碍疏水的目的,循环往复。
三、汽液两相流疏水器主要优点
1、液位调节灵敏、准确。
2、无须检修,寿命长。
3、无泄漏,安全性能好。
4、系统简单、安装方便,无须电控、气动等。
5、缓解汽蚀及振动现象。
6、阀芯采用优质不锈钢防腐性能好。
7、适用范围广:600MW、300MW、200MW及以下机组。
四、汽液两相流疏水器常用规格型号
1、接口口径:DN20、DN25、DN32、DN40、DN50、DN65、DN80、DN100、DN125、DN150、DN200……也可根据用户要求另行设计。
2、疏水量:0.5t/h~100t/h
五、汽液两相流疏水器订货须知
1、用户提供配用汽液两相流装置为何设备,及有关压力、温度出口管径疏水量等参数。
2、提供各连接系统法兰,接管具有尺寸。
3、方位空间及原系统流程图。
六、汽液两相流疏水器安装、调试说明:供货后参见详细说明书。

1、相变管(信号筒)2、自动调节器 3、旁路阀 4、调节阀 5、汽阀 6、加热器 7、连结短管 8、隔离阀